LEMON Manuals: Even more car manuals for everyone
Home >> Toyota >> 2009 >> Matrix Base, Automatic >> Repair and Diagnosis >> Engine Performance >> Engine Control System (2ZR-FE) >> SFI System >> DTC P2118 Throttle Actuator Control Motor Current Range / Performance >> Wiring Diagram

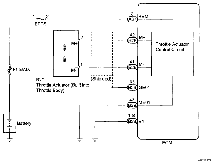
DTC P2118 Throttle Actuator Control Motor Current Range / Performance: Wiring Diagram

Fig 1: Throttle Actuator Control Motor Current Range / Performance - Wiring Diagram
G06040151Courtesy of © TOYOTA, LICENSE AGREEMENT TMS1002