LEMON Manuals: Even more car manuals for everyone
Home >> Toyota >> 2009 >> Matrix Base, Automatic >> Repair and Diagnosis >> Engine Performance >> Engine Control System (2ZR-FE) >> Ignition System >> System Diagram

System Diagram

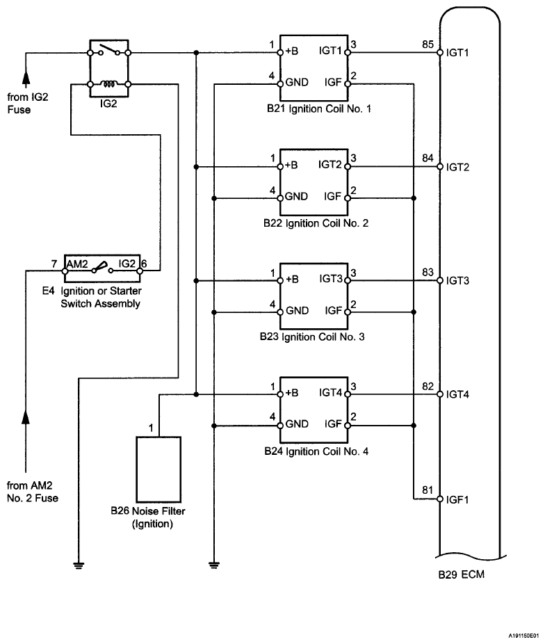
Fig 1: Ignition System - System Diagram (1 Of 2)
G06040269Courtesy of © TOYOTA, LICENSE AGREEMENT TMS1002
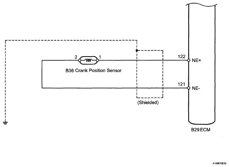
Fig 2: Ignition System - System Diagram (2 Of 2)
G06040748Courtesy of © TOYOTA, LICENSE AGREEMENT TMS1002