LEMON Manuals: Even more car manuals for everyone
Home >> Toyota >> 2009 >> Matrix Base, Automatic >> Repair and Diagnosis >> Electrical >> Body Electrical >> OEM System Circuits >> Electronically Controlled Transmission and A/T Indicator for 2ZR-FE >> Notes

Electronically Controlled Transmission and A/T Indicator for 2ZR-FE: Notes

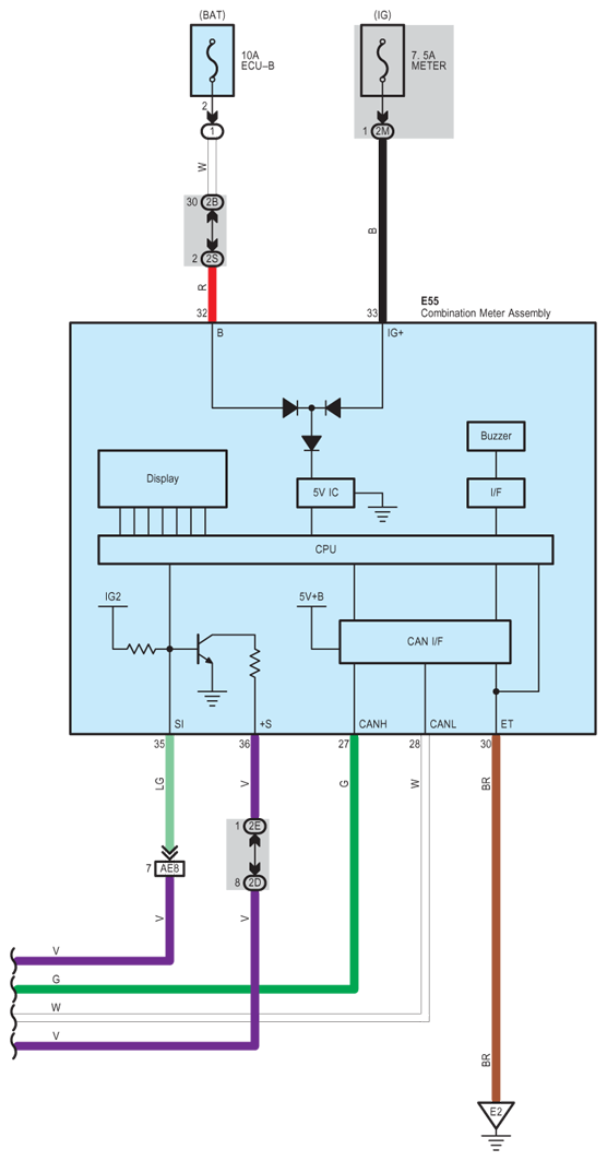
Fig 1: Electronically Controlled Transmission And A/T Indicator For 2ZR-FE - Circuit Diagram (1 Of 6)
G07606292Courtesy of © TOYOTA, LICENSE AGREEMENT TMS1002
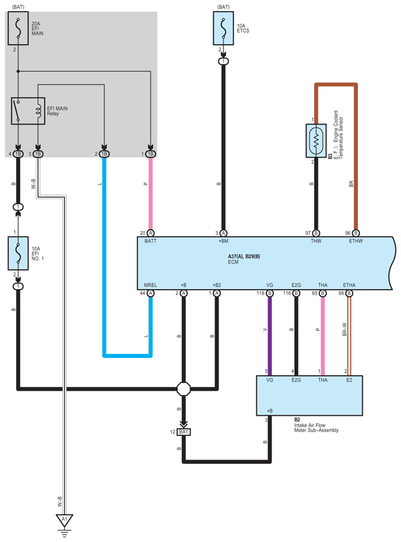
Fig 2: Electronically Controlled Transmission And A/T Indicator For 2ZR-FE - Circuit Diagram (2 Of 6)
G07606293Courtesy of © TOYOTA, LICENSE AGREEMENT TMS1002
Fig 3: Electronically Controlled Transmission And A/T Indicator For 2ZR-FE - Circuit Diagram (3 Of 6)
G07606294Courtesy of © TOYOTA, LICENSE AGREEMENT TMS1002
Fig 4: Electronically Controlled Transmission And A/T Indicator For 2ZR-FE - Circuit Diagram (4 Of 6)
G07606295Courtesy of © TOYOTA, LICENSE AGREEMENT TMS1002
Fig 5: Electronically Controlled Transmission And A/T Indicator For 2ZR-FE - Circuit Diagram (5 Of 6)
G07606296Courtesy of © TOYOTA, LICENSE AGREEMENT TMS1002
Fig 6: Electronically Controlled Transmission And A/T Indicator For 2ZR-FE - Circuit Diagram (6 Of 6)
G07606297Courtesy of © TOYOTA, LICENSE AGREEMENT TMS1002