LEMON Manuals: Even more car manuals for everyone
Home >> Toyota >> 2009 >> Matrix Base, Automatic >> Repair and Diagnosis >> Brakes >> Traction Control >> Brake Control/Dynamic Control System >> Vehicle Stability Control System >> Slip Indicator Light Remains ON >> Wiring Diagram

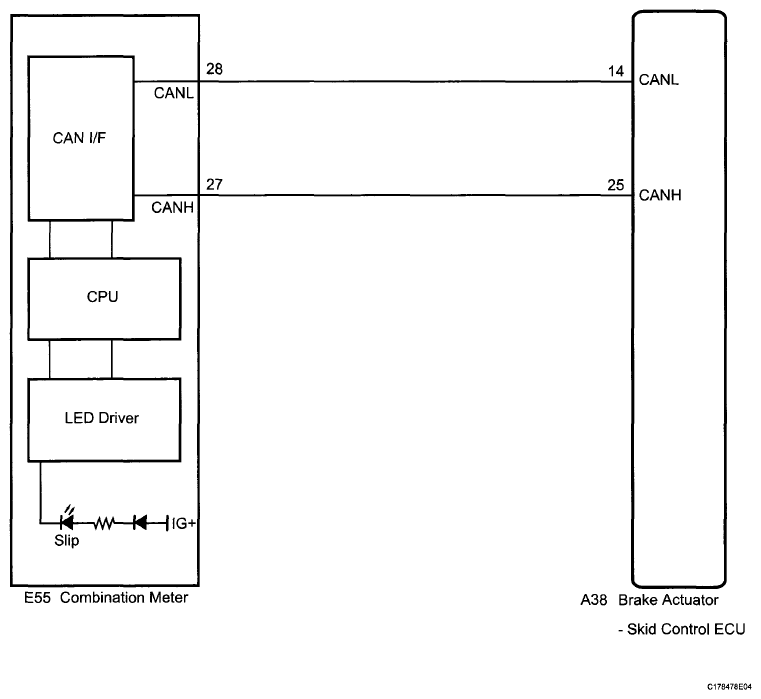
Slip Indicator Light Remains ON: Wiring Diagram

Fig 1: Slip Indicator Light - Wiring Diagram
G06035053Courtesy of © TOYOTA, LICENSE AGREEMENT TMS1002