LEMON Manuals: Even more car manuals for everyone
Home >> Toyota >> 2009 >> Matrix Base, Automatic >> Repair and Diagnosis (Single Page) >> Accessories & Equipment >> Communication Devices >> Networking >> Can Communication System >> Check CAN Bus Lines for Short Circuit >> Wiring Diagram

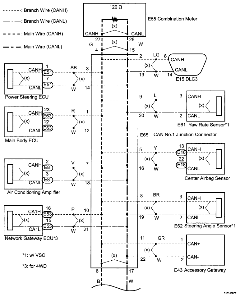
Check CAN Bus Lines for Short Circuit: Wiring Diagram

Fig 1: CAN Bus Line - Wiring Diagram (1 Of 2)
G06036191Courtesy of © TOYOTA, LICENSE AGREEMENT TMS1002
Fig 2: CAN Bus Line - Wiring Diagram (2 Of 2)
G06036192Courtesy of © TOYOTA, LICENSE AGREEMENT TMS1002