LEMON Manuals: Even more car manuals for everyone
Home >> Toyota >> 2008 >> Sienna LE, AWD >> Repair and Diagnosis >> Engine Performance >> System >> Engine Control System - SFI System Precautions And Diagnostics Introductions, Diagnostic Trouble Code Chart >> SFI System >> System Diagram

System Diagram

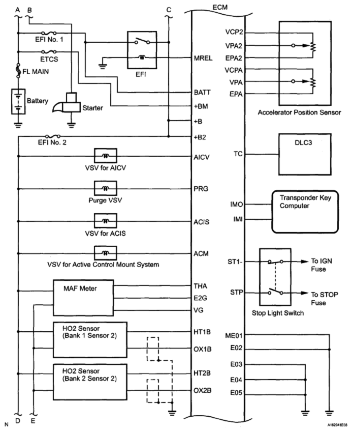
Fig 1: SFI System Diagram (1 Of 4)
G05675358Courtesy of © TOYOTA, LICENSE AGREEMENT TMS1002
Fig 2: SFI System Diagram (2 Of 4)
G05135905Courtesy of © TOYOTA, LICENSE AGREEMENT TMS1002
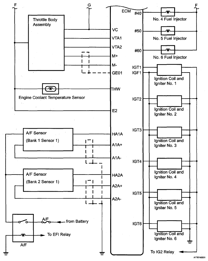
Fig 3: SFI System Diagram (3 Of 4)
G05675360Courtesy of © TOYOTA, LICENSE AGREEMENT TMS1002
Fig 4: SFI System Diagram (4 Of 4)
G05675361Courtesy of © TOYOTA, LICENSE AGREEMENT TMS1002