LEMON Manuals: Even more car manuals for everyone
Home >> Toyota >> 2008 >> Matrix Base, Standard >> Repair and Diagnosis >> External Pages >> Different car >> Section 52 (Smart Key System (Keyless Entry) (Diagnostics - Introduction)) >> Smart Key System >> System Diagram >> System Diagram

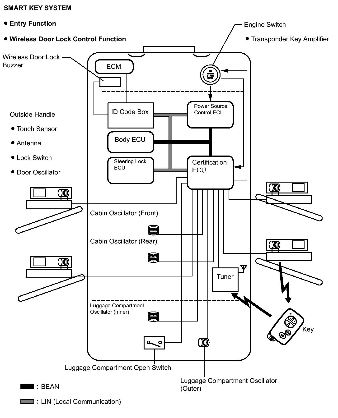
System Diagram

WARNING: This page is about a different car, the 2011 Toyota Avalon. However, it is still accessible from the selected car via links, so may be relevant.
Fig 1: Smart Key System Diagram (1 Of 2)
GTY307355Courtesy of © TOYOTA, LICENSE AGREEMENT TMS1002
Fig 2: Smart Key System Diagram (2 Of 2)
GTY197692Courtesy of © TOYOTA, LICENSE AGREEMENT TMS1002
ENTRY FUNCTION

Transmitting ECU (Transmitter) Receiving ECU (Receiver) Signals Communication method
Combination meter Certification ECU
  • Vehicle speed signal
  • Travel distance information
BEAN
Power source control ECU Certification ECU
  • Alarm control signal
  • Power source control ECU information
BEAN
Combination meter Multi-display
  • Door open warning signal
  • Smart key system warning light signal
BEAN / AVC-LAN
Certification ECU Combination meter
  • Smart key system warning light signal
  • Shift position warning signal
  • "Single beep" sound control signal
  • "Intermittent beep" sound control signal
  • "Beep buzzer" sound control signal
BEAN
Body ECU Certification ECU
  • Door lock / unlock position signal
  • Courtesy light switch signal
  • Smart key system control signal
  • Alarm signal
  • Destination signal
  • Vehicle type handle signal
  • Door key operation switch signal
  • Door lock output operate signal
  • Wireless door lock / unlock signal
  • DTC erase signal
  • DTC response signal
BEAN
ECM Certification ECU Engine speed signal BEAN / CAN
WIRELESS DOOR CONTROL FUNCTION

Transmitting ECU (Transmitter) Receiving ECU (Receiver) Signals Communication method
Power source control ECU Certification ECU Key code recognition signal BEAN
Certification ECU Body ECU Wireless buzzer control signal BEAN
Body ECU Certification ECU Alarm signal BEAN
START FUNCTION

Transmitting ECU (Transmitter) Receiving ECU (Receiver) Signals Communication method
Combination meter Power source control ECU
  • Vehicle speed signal
  • Travel distance information
BEAN
Combination meter Multi-display
  • Door open warning signal
  • Shift position warning signal
  • Smart key system warning light signal
BEAN / AVC-LAN
Power source control ECU Body ECU Security control signal BEAN
Body ECU Power source control ECU
  • Engine start switch illumination signal
  • Stop light switch signal
  • Courtesy light switch signal
  • DTC erase signal
  • DTC response signal
BEAN
ECM Power source control ECU
  • Engine speed signal
  • Shift P position signal
BEAN / CAN
ENGINE IMMOBILIZER FUNCTION

Transmitting ECU (Transmitter) Receiving ECU (Receiver) Signals Communication method
Combination meter Multi-display
  • Door open warning signal
  • Smart key system warning light signal
BEAN / AVC-LAN
Certification ECU Body ECU
  • Double lock fail-safe unset signal
  • Security indicator light flash signal
  • Security indicator light turn on signal
  • Immobilizer set / unset signal
BEAN
Power source control ECU Certification ECU Key code recognition signal BEAN
ID code box Certification ECU DTC (B2791) signal LIN
ID code box Steering lock ECU
  • Steering lock release signal
  • Matching request random number signal
LIN
START KEY SYSTEM

Transmitting ECU (Transmitter) Receiving ECU (Receiver) Signals Communication method
ID code box Certification ECU
  • Matching request random number signal
  • EEP ROM access malfunction
  • Model code matching signal
  • Model code mismatching signal
  • ECM code receiving status
  • Engine start permission request signal
  • Engine start permission response signal
  • S code matching result signal
  • S code registration status signal
  • S code registration mode signal
  • L code matching result signal
  • ECM communication signal
  • The number of registered key response signal
  • Diagnosis mode switching signal
LIN
Certification ECU ID code box
  • 3 bit code request signal
  • ID code matching result signal
  • The number of registered key signal
  • Vehicle type handle signal
LIN
ID code box
  • Certification ECU
  • Steering lock ECU
  • L code registration mode signal
  • Diagnosis mode request signal
  • DTC clear request signal
LIN
ID code box Steering lock ECU L code registration status signal LIN
Certification ECU
  • Certification ECU
  • ID code box
Steering lock request signal LIN
Steering lock ECU Certification ECU
  • Steering unlock signal
  • Steering lock confirmation
  • Steering unlock confirmation signal
  • Diagnosis response signal
  • Steering lock drive relay signal
  • Steering unlock drive relay signal
  • Steering lock motor operation signal
LIN
ID code box Certification ECU The number of registered key signal LIN
Power source control ECU Certification ECU
  • Shift position P signal
  • Power ON operation status signal
  • Engine starting status
  • ACC relay operating status
  • IG relay operating status
LIN
Power source control ECU Steering lock ECU Steering lock relay power supply status LIN
Steering lock ECU
  • Certification ECU
  • Power source control ECU
  • Steering lock catching malfunction signal
  • Push button start malfunction signal
  • Engine operation signal
LIN