LEMON Manuals: Even more car manuals for everyone
Home >> Toyota >> 2008 >> Matrix Base, Standard >> Repair and Diagnosis >> External Pages >> Different car >> Section 30 (Smart Key System (Keyless Start) (Diagnostics - Introduction)) >> Smart Key System >> System Diagram >> System Diagram

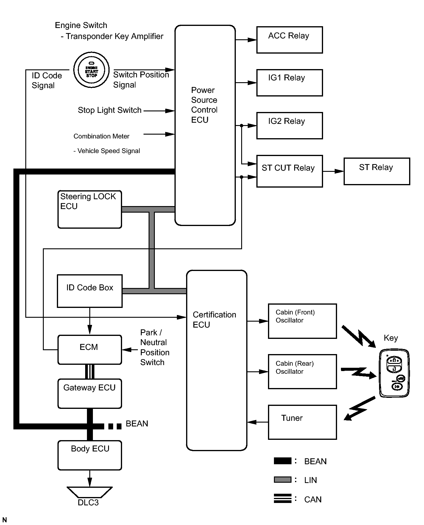
System Diagram

WARNING: This page is about a different car, the 2011 Toyota Avalon. However, it is still accessible from the selected car via links, so may be relevant.
Fig 1: Identifying Smart Key System Diagram
GTY177595Courtesy of © TOYOTA, LICENSE AGREEMENT TMS1002
Transmitting ECU (Transmitter) Receiving ECU (Receiver) Signals Communication method
Combination meter Power source control ECU
  • Vehicle speed signal
  • Travel distance information
BEAN
Combination meter Multi-display
  • Door open warning signal
  • Shift position warning signal
  • Smart key system warning light signal
BEAN / AVC-LAN
Power source control ECU Body ECU
  • Security control signal
BEAN
Body ECU Power source control ECU
  • Engine start switch illumination signal
  • Stop light switch signal
  • Courtesy light switch signal
  • DTC erase signal
  • DTC response signal
BEAN
ECM Power source control ECU
  • Engine speed signal
  • Shift P position signal
BEAN / CAN