LEMON Manuals: Even more car manuals for everyone
Home >> Toyota >> 2008 >> Matrix Base, Standard >> Repair and Diagnosis >> Engine Performance >> Engine Control System (1ZZ-FE) >> SFI System >> EVAP System >> Wiring Diagram

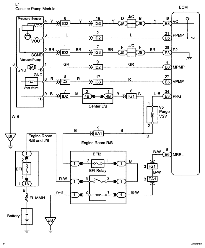
EVAP System: Wiring Diagram

Fig 1: EVAP System - Wiring Diagram
G05232807Courtesy of © TOYOTA, LICENSE AGREEMENT TMS1002