LEMON Manuals: Even more car manuals for everyone
Home >> Toyota >> 2008 >> Matrix Base, Standard >> Repair and Diagnosis >> Electrical >> Body Electrical >> OEM System Circuits >> ABS with VSC, TRAC and VSC System >> Notes

ABS with VSC, TRAC and VSC System: Notes

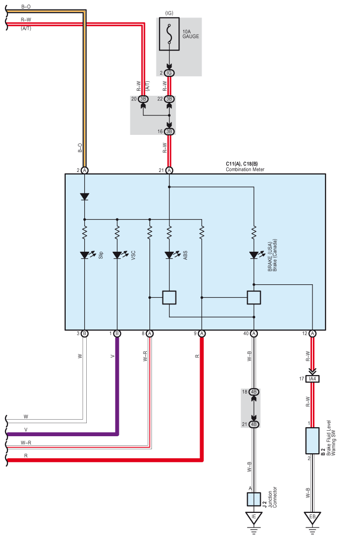
Fig 1: ABS With VSC, TRAC And VSC - Circuit Diagram (1 Of 5)
G07599203Courtesy of © TOYOTA, LICENSE AGREEMENT TMS1002
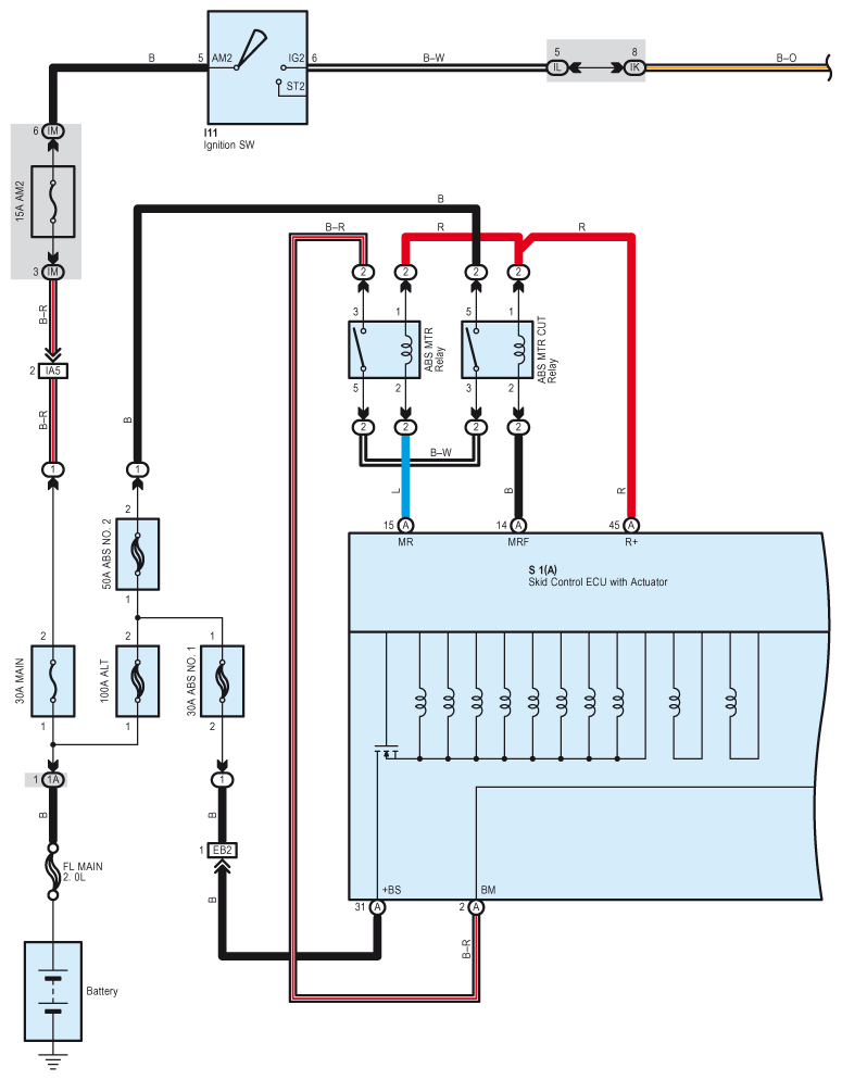
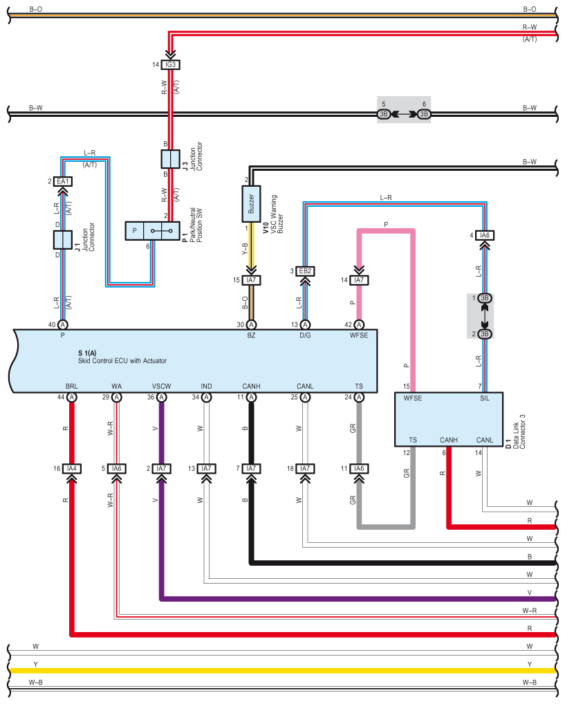
Fig 2: ABS With VSC, TRAC And VSC - Circuit Diagram (2 Of 5)
G07599204Courtesy of © TOYOTA, LICENSE AGREEMENT TMS1002
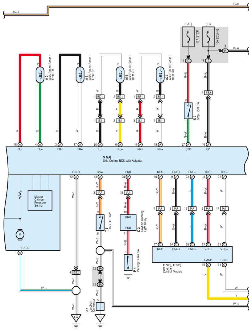
Fig 3: ABS With VSC, TRAC And VSC - Circuit Diagram (3 Of 5)
G07599205Courtesy of © TOYOTA, LICENSE AGREEMENT TMS1002
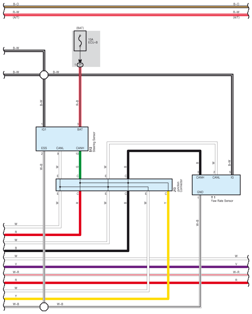
Fig 4: ABS With VSC, TRAC And VSC - Circuit Diagram (4 Of 5)
G07599206Courtesy of © TOYOTA, LICENSE AGREEMENT TMS1002
Fig 5: ABS With VSC, TRAC And VSC - Circuit Diagram (5 Of 5)
G07599207Courtesy of © TOYOTA, LICENSE AGREEMENT TMS1002