LEMON Manuals: Even more car manuals for everyone
Home >> Toyota >> 2008 >> Matrix Base, Standard >> Repair and Diagnosis (Single Page) >> Electrical >> Body Electrical >> OEM System Circuits >> TVIP System >> Notes

TVIP System: Notes

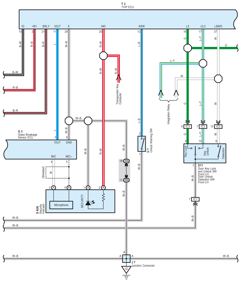
Fig 1: TVIP System - Circuit Diagram (1 Of 5)
G07599189Courtesy of © TOYOTA, LICENSE AGREEMENT TMS1002
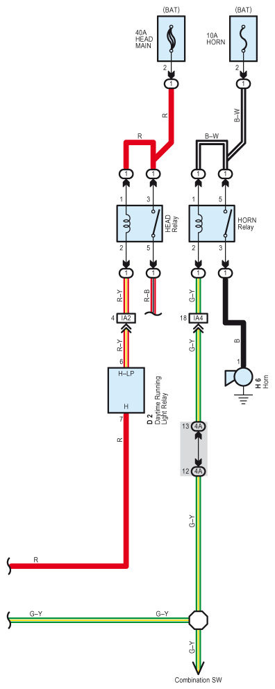
Fig 2: TVIP System - Circuit Diagram (2 Of 5)
G07599190Courtesy of © TOYOTA, LICENSE AGREEMENT TMS1002
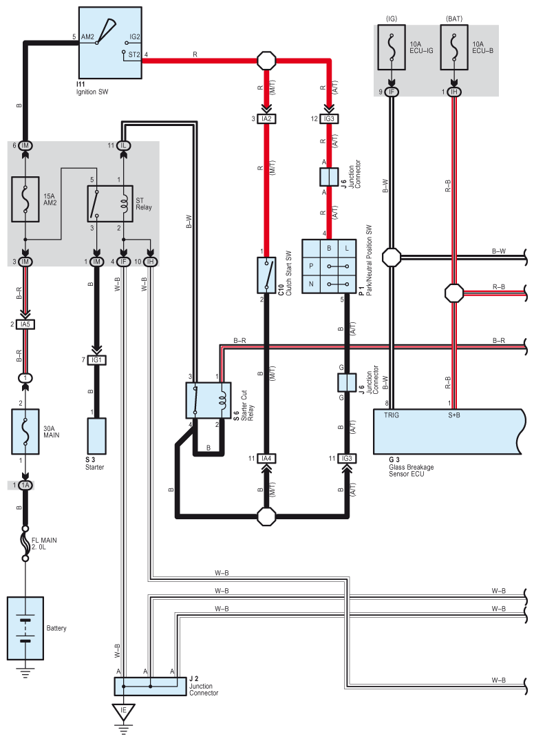
Fig 3: TVIP System - Circuit Diagram (3 Of 5)
G07599191Courtesy of © TOYOTA, LICENSE AGREEMENT TMS1002
Fig 4: TVIP System - Circuit Diagram (4 Of 5)
G07599192Courtesy of © TOYOTA, LICENSE AGREEMENT TMS1002
Fig 5: TVIP System - Circuit Diagram (5 Of 5)
G07599193Courtesy of © TOYOTA, LICENSE AGREEMENT TMS1002