LEMON Manuals: Even more car manuals for everyone
Home >> Toyota >> 2008 >> Matrix Base, Standard >> Repair and Diagnosis (Single Page) >> Electrical >> Body Electrical >> OEM System Circuits >> Rear Window Defogger System >> Notes

Rear Window Defogger System: Notes

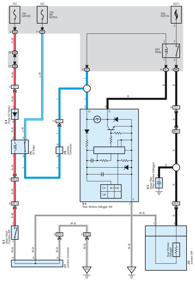
Fig 1: Rear Window Defogger - Circuit Diagram
G07599221Courtesy of © TOYOTA, LICENSE AGREEMENT TMS1002