LEMON Manuals: Even more car manuals for everyone
Home >> Toyota >> 2008 >> Matrix Base, Standard >> Repair and Diagnosis (Single Page) >> Electrical >> Body Electrical >> OEM System Circuits >> Moon Roof System >> Notes

Moon Roof System: Notes

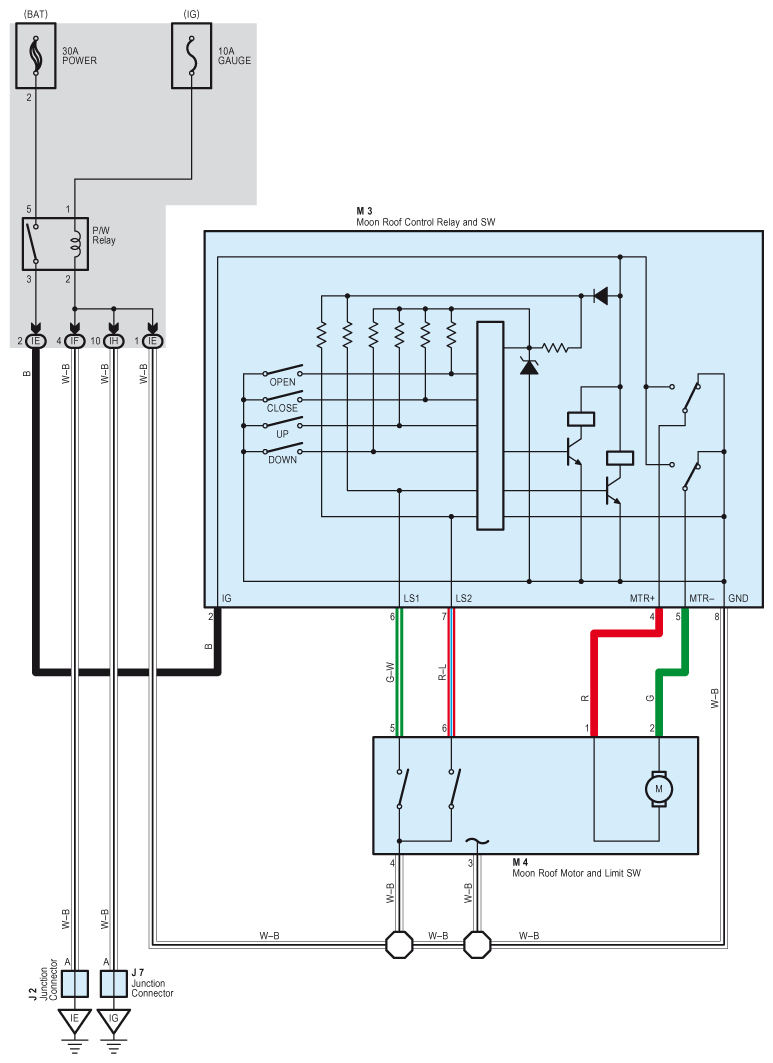
Fig 1: Moon Roof - Circuit Diagram
G07599194Courtesy of © TOYOTA, LICENSE AGREEMENT TMS1002