LEMON Manuals: Even more car manuals for everyone
Home >> Toyota >> 2008 >> Matrix Base, Standard >> Repair and Diagnosis (Single Page) >> Electrical >> Body Electrical >> OEM System Circuits >> Key Reminder and Light Reminder System >> Notes

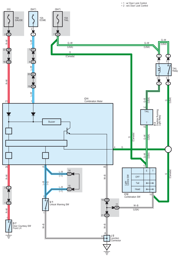
Key Reminder and Light Reminder System: Notes

Fig 1: Key Reminder And Light Reminder - Circuit Diagram
G07599218Courtesy of © TOYOTA, LICENSE AGREEMENT TMS1002