LEMON Manuals: Even more car manuals for everyone
Home >> Toyota >> 2008 >> Matrix Base, Standard >> Repair and Diagnosis (Single Page) >> Electrical >> Body Electrical >> OEM System Circuits >> Front Wiper and Washer System >> Notes

Front Wiper and Washer System: Notes

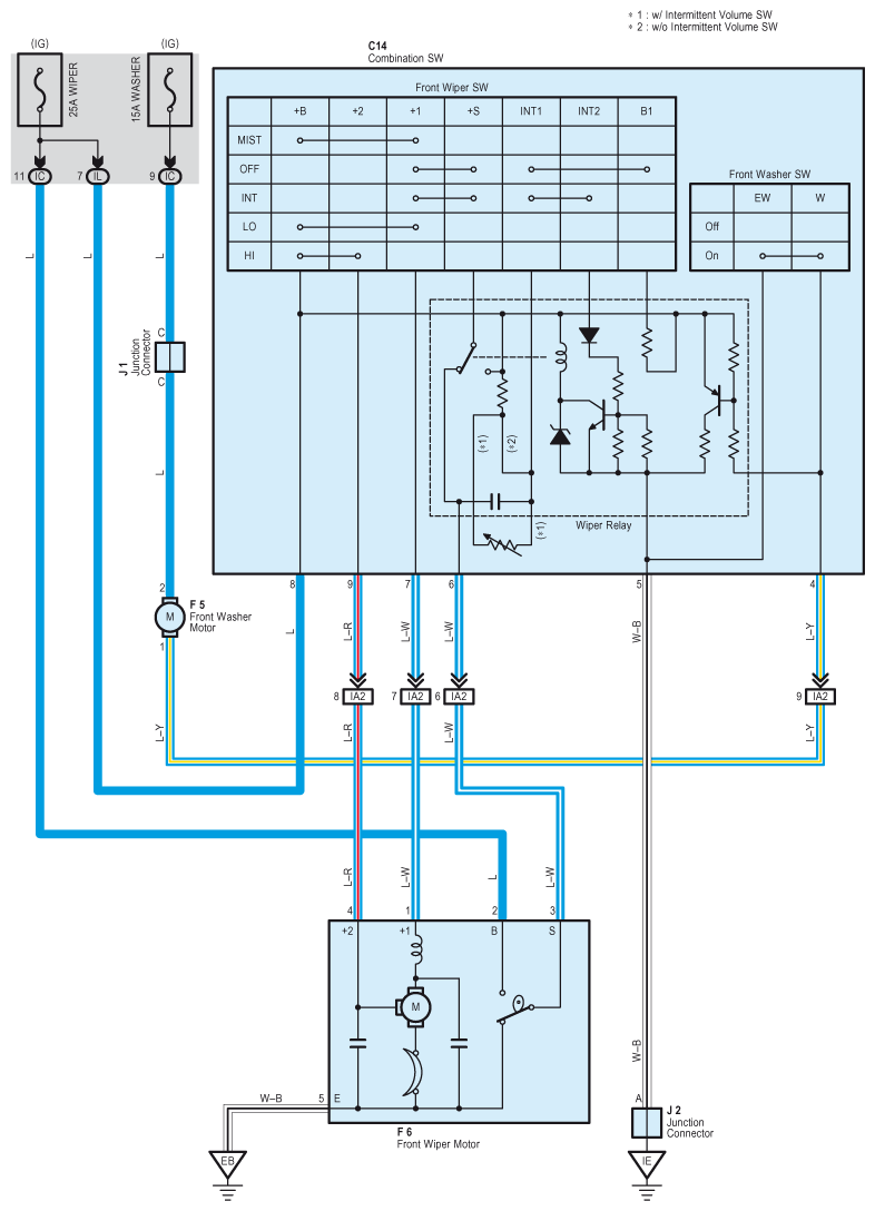
Fig 1: Front Wiper And Washer - Circuit Diagram
G07599170Courtesy of © TOYOTA, LICENSE AGREEMENT TMS1002