LEMON Manuals: Even more car manuals for everyone
Home >> Toyota >> 2008 >> Matrix Base, Standard >> Repair and Diagnosis (Single Page) >> Electrical >> Body Electrical >> OEM System Circuits >> Combination Meter >> Notes

Combination Meter: Notes

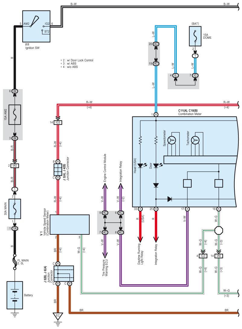
Fig 1: Combination Meter - Circuit Diagram (1 Of 5)
G07599226Courtesy of © TOYOTA, LICENSE AGREEMENT TMS1002
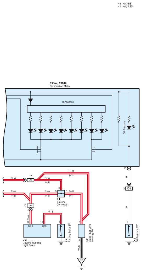
Fig 2: Combination Meter - Circuit Diagram (2 Of 5)
G07599227Courtesy of © TOYOTA, LICENSE AGREEMENT TMS1002
Fig 3: Combination Meter - Circuit Diagram (3 Of 5)
G07599228Courtesy of © TOYOTA, LICENSE AGREEMENT TMS1002
Fig 4: Combination Meter - Circuit Diagram (4 Of 5)
G07599229Courtesy of © TOYOTA, LICENSE AGREEMENT TMS1002
Fig 5: Combination Meter - Circuit Diagram (5 Of 5)
G07599230Courtesy of © TOYOTA, LICENSE AGREEMENT TMS1002