LEMON Manuals: Even more car manuals for everyone
Home >> Toyota >> 2008 >> Matrix Base, Standard >> Repair and Diagnosis (Single Page) >> Electrical >> Body Electrical >> OEM System Circuits >> Back-Up Light System >> Notes

Back-Up Light System: Notes

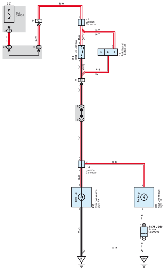
Fig 1: Back-Up Light - Circuit Diagram
G07599169Courtesy of © TOYOTA, LICENSE AGREEMENT TMS1002