LEMON Manuals: Even more car manuals for everyone
Home >> Toyota >> 2008 >> Matrix Base, Automatic >> Repair and Diagnosis >> Engine Performance >> Engine Control System (1ZZ-FE) >> SFI System >> DTC P0115 Engine Coolant Temperature Circuit; DTC P0117 Engine Coolant Temperature Circuit Low Input; DTC P0118 Engine Coolant Temperature Circuit High Input >> Wiring Diagram

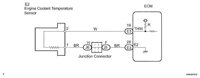
DTC P0115 Engine Coolant Temperature Circuit; DTC P0117 Engine Coolant Temperature Circuit Low Input; DTC P0118 Engine Coolant Temperature Circuit High Input: Wiring Diagram

Fig 1: Engine Coolant Temperature Sensor Circuit Diagram
G05574840Courtesy of © TOYOTA, LICENSE AGREEMENT TMS1002