LEMON Manuals: Even more car manuals for everyone
Home >> Toyota >> 2008 >> Matrix Base, Automatic >> Repair and Diagnosis >> Electrical >> Body Electrical >> OEM System Circuits >> Seat Belt Warning System >> Notes

Seat Belt Warning System: Notes

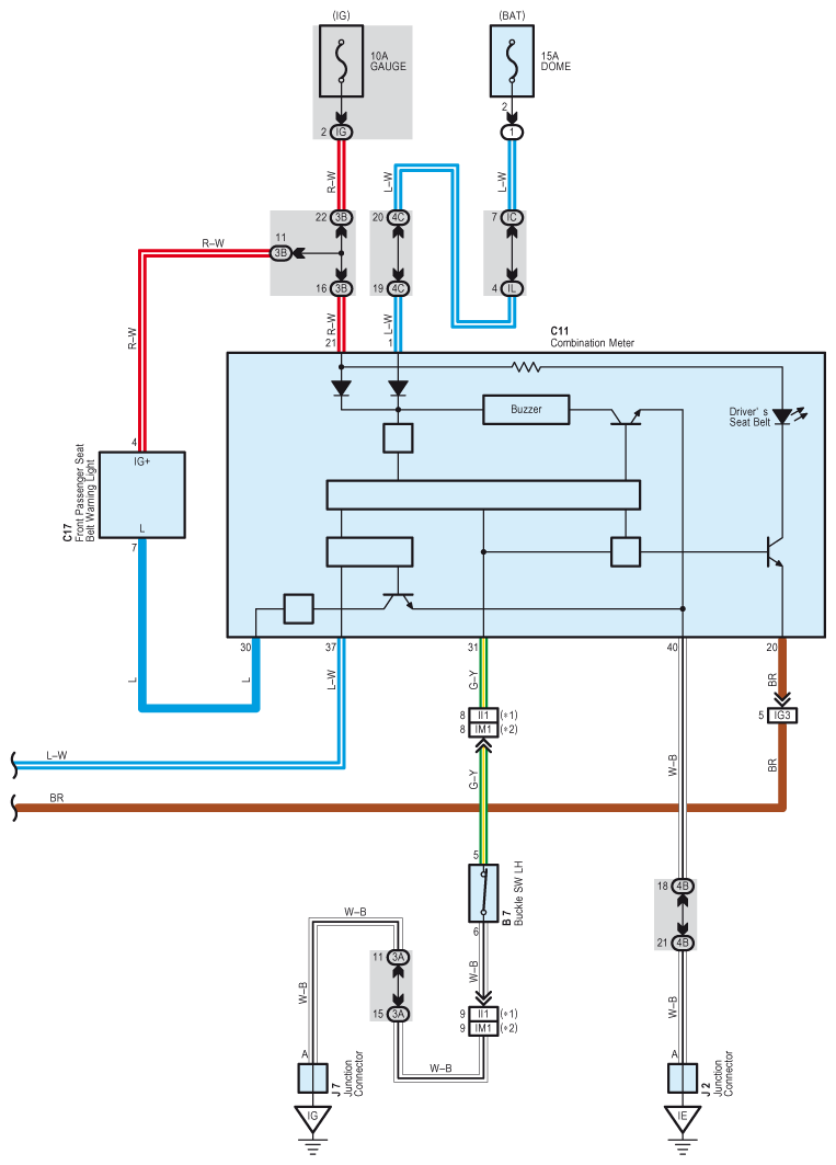
Fig 1: Seat Belt Warning - Circuit Diagram (1 Of 2)
G07599219Courtesy of © TOYOTA, LICENSE AGREEMENT TMS1002
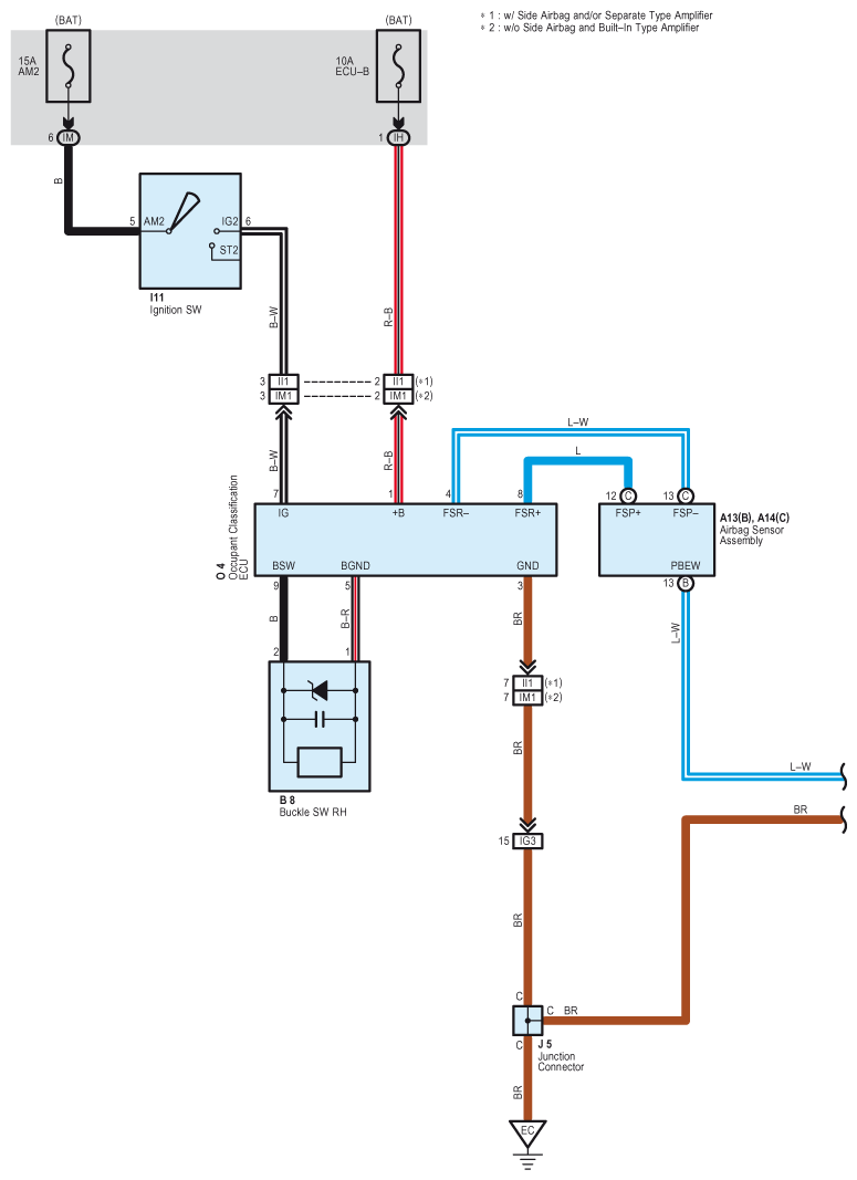
Fig 2: Seat Belt Warning - Circuit Diagram (2 Of 2)
G07599220Courtesy of © TOYOTA, LICENSE AGREEMENT TMS1002