LEMON Manuals: Even more car manuals for everyone
Home >> Toyota >> 2008 >> Matrix Base, Automatic >> Repair and Diagnosis >> Electrical >> Body Electrical >> OEM System Circuits >> Rear Wiper and Washer System >> Notes

Rear Wiper and Washer System: Notes

Fig 1: Rear Wiper And Washer - Circuit Diagram (1 Of 2)
G07599171Courtesy of © TOYOTA, LICENSE AGREEMENT TMS1002
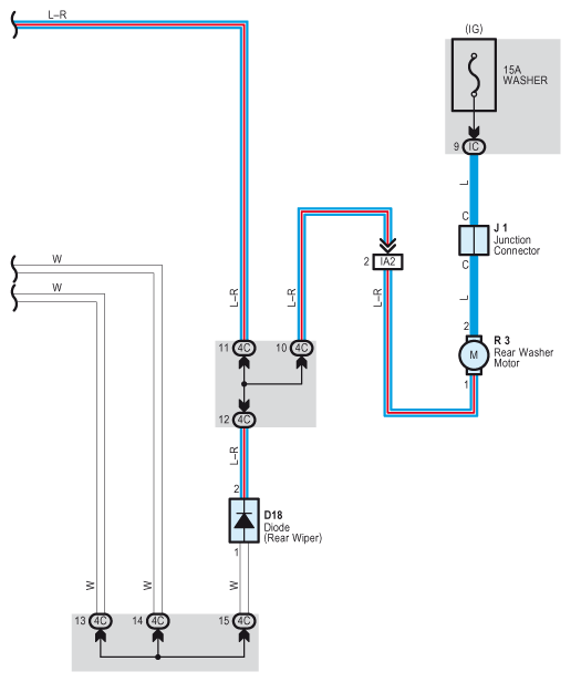
Fig 2: Rear Wiper And Washer - Circuit Diagram (2 Of 2)
G07599172Courtesy of © TOYOTA, LICENSE AGREEMENT TMS1002