LEMON Manuals: Even more car manuals for everyone
Home >> Toyota >> 2008 >> Avalon Limited >> Repair and Diagnosis >> Engine Performance >> Engine Control Systems >> Engine Control System (2GR-FE) - SFI System Diagnostic And Troubleshooting Introduction, Precautions, Symptoms Table, Diagnostic Trouble Code Chart >> SFI System >> System Diagram

System Diagram

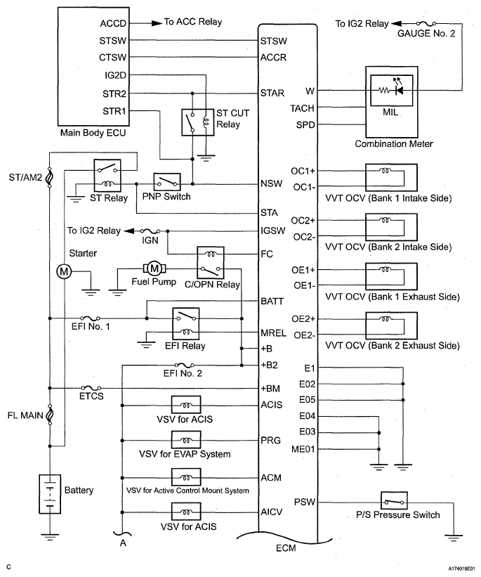
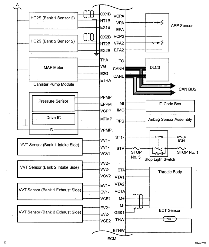
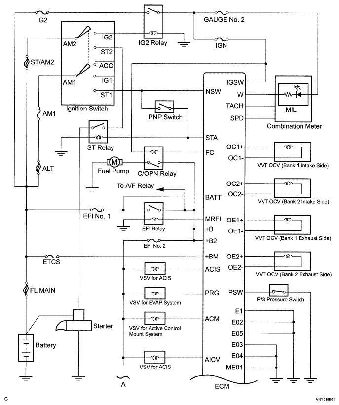
  1. Without Smart Key System: 
    Fig 1: SFI System Wiring Diagram - Without Smart Key System (1 Of 3)
    G05404412Courtesy of © TOYOTA, LICENSE AGREEMENT TMS1002
    Fig 2: SFI System Wiring Diagram - Without Smart Key System (2 Of 3)
    G05404413Courtesy of © TOYOTA, LICENSE AGREEMENT TMS1002
    Fig 3: SFI System Wiring Diagram - Without Smart Key System (3 Of 3)
    G05404414Courtesy of © TOYOTA, LICENSE AGREEMENT TMS1002
  2. With Smart Key System: 
    Fig 4: SFI System Wiring Diagram - With Smart Key System (1 Of 3)
    G05404415Courtesy of © TOYOTA, LICENSE AGREEMENT TMS1002
    Fig 5: SFI System Wiring Diagram - With Smart Key System (2 Of 3)
    G05404413Courtesy of © TOYOTA, LICENSE AGREEMENT TMS1002
    Fig 6: SFI System Wiring Diagram - With Smart Key System (3 Of 3)
    G05404414Courtesy of © TOYOTA, LICENSE AGREEMENT TMS1002