LEMON Manuals: Even more car manuals for everyone
Home >> Toyota >> 2007 >> Sienna LE, AWD >> Repair and Diagnosis >> Engine Performance >> System >> Engine Control System - SFI System Introduction, Precautions, Parts Location, Symptoms Table, Diagnostic Trouble Code Chart >> SFI System >> System Diagram

System Diagram

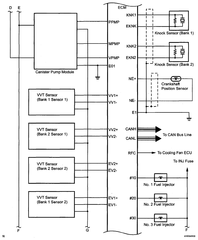
Fig 1: Engine Control System Diagram (1 Of 4)
G05135904Courtesy of © TOYOTA, LICENSE AGREEMENT TMS1002
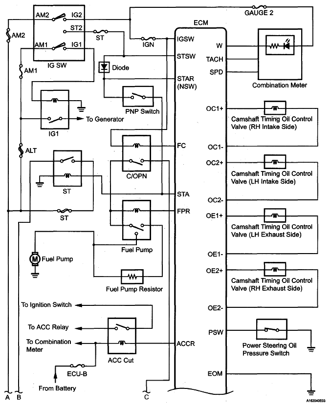
Fig 2: Engine Control System Diagram (2 Of 4)
G05135905Courtesy of © TOYOTA, LICENSE AGREEMENT TMS1002
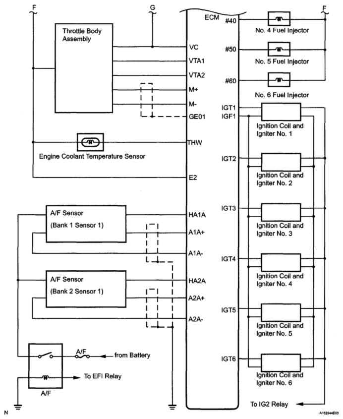
Fig 3: Engine Control System Diagram (3 Of 4)
G05135906Courtesy of © TOYOTA, LICENSE AGREEMENT TMS1002
Fig 4: Engine Control System Diagram (4 Of 4)
G05135907Courtesy of © TOYOTA, LICENSE AGREEMENT TMS1002