LEMON Manuals: Even more car manuals for everyone
Home >> Toyota >> 2007 >> Prius Base >> Repair and Diagnosis >> Engine Performance >> Engine Control System >> SFI System >> VC Output Circuit >> Wiring Diagram

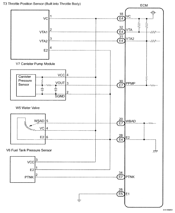
VC Output Circuit: Wiring Diagram

Fig 1: VC Output Circuit - Wiring Diagram
G05188970Courtesy of © TOYOTA, LICENSE AGREEMENT TMS1002