LEMON Manuals: Even more car manuals for everyone
Home >> Toyota >> 2007 >> Prius Base >> Repair and Diagnosis >> Engine Performance >> Engine Control System >> SFI System >> Fuel Pump Control Circuit >> Wiring Diagram

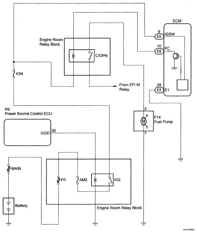
Fuel Pump Control Circuit: Wiring Diagram

Fig 1: Fuel Pump Control Circuit - Wiring Diagram
G05188973Courtesy of © TOYOTA, LICENSE AGREEMENT TMS1002