LEMON Manuals: Even more car manuals for everyone
Home >> Toyota >> 2007 >> Prius Base >> Repair and Diagnosis >> Engine Performance >> Engine Control System >> SFI System >> ECM Power Source Circuit >> Wiring Diagram

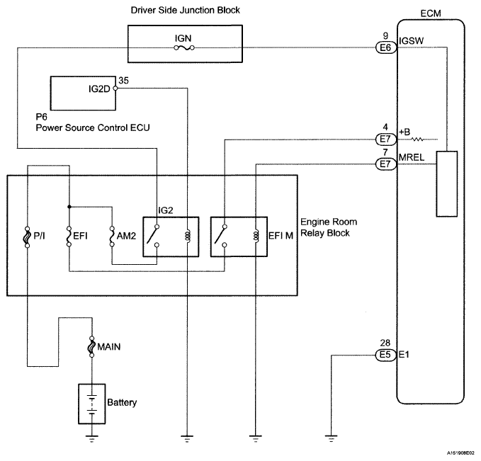
ECM Power Source Circuit: Wiring Diagram

Fig 1: ECM Power Source Circuit - Wiring Diagram
G05188958Courtesy of © TOYOTA, LICENSE AGREEMENT TMS1002