LEMON Manuals: Even more car manuals for everyone
Home >> Toyota >> 2007 >> Prius Base >> Repair and Diagnosis >> Engine Performance >> Engine Control System >> SFI System >> DTC P1120 Coolant Flow Control Valve Position Sensor Circuit; DTC P1122 Coolant Flow Control Valve Position Sensor Circuit Low; DTC P1123 Coolant Flow Control Valve Position Sensor Circuit High >> Wiring Diagram

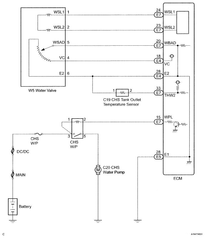
DTC P1120 Coolant Flow Control Valve Position Sensor Circuit; DTC P1122 Coolant Flow Control Valve Position Sensor Circuit Low; DTC P1123 Coolant Flow Control Valve Position Sensor Circuit High: Wiring Diagram

Fig 1: Water Valve Position Sensor Voltage - Wiring Diagram
G05188865Courtesy of © TOYOTA, LICENSE AGREEMENT TMS1002