LEMON Manuals: Even more car manuals for everyone
Home >> Toyota >> 2007 >> Prius Base >> Repair and Diagnosis (Single Page) >> Electrical >> Body Electrical >> OEM System Circuits >> Smart Key System And Wireless Door Lock Control >> Notes

Smart Key System And Wireless Door Lock Control: Notes

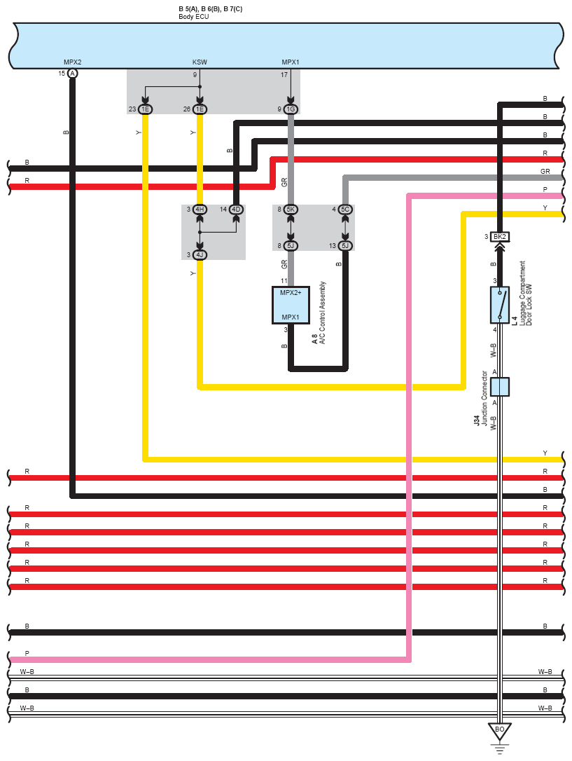
Fig 1: Smart key system and wireless door lock control system wiring diagram (1 of 13)
G08866082Courtesy of © TOYOTA, LICENSE AGREEMENT TMS1002
Fig 2: Smart key system and wireless door lock control system wiring diagram (2 of 13)
G08866083Courtesy of © TOYOTA, LICENSE AGREEMENT TMS1002
Fig 3: Smart key system and wireless door lock control system wiring diagram (3 of 13)
G08866084Courtesy of © TOYOTA, LICENSE AGREEMENT TMS1002
Fig 4: Smart key system and wireless door lock control system wiring diagram (4 of 13)
G08866085Courtesy of © TOYOTA, LICENSE AGREEMENT TMS1002
Fig 5: Smart key system and wireless door lock control system wiring diagram (5 of 13)
G08866086Courtesy of © TOYOTA, LICENSE AGREEMENT TMS1002
Fig 6: Smart key system and wireless door lock control system wiring diagram (6 of 13)
G08866087Courtesy of © TOYOTA, LICENSE AGREEMENT TMS1002
Fig 7: Smart key system and wireless door lock control system wiring diagram (7 of 13)
G08866088Courtesy of © TOYOTA, LICENSE AGREEMENT TMS1002
Fig 8: Smart key system and wireless door lock control system wiring diagram (8 of 13)
G08866089Courtesy of © TOYOTA, LICENSE AGREEMENT TMS1002
Fig 9: Smart key system and wireless door lock control system wiring diagram (9 of 13)
G08866090Courtesy of © TOYOTA, LICENSE AGREEMENT TMS1002
Fig 10: Smart key system and wireless door lock control system wiring diagram (10 of 13)
G08866091Courtesy of © TOYOTA, LICENSE AGREEMENT TMS1002
Fig 11: Smart key system and wireless door lock control system wiring diagram (11 of 13)
G08866092Courtesy of © TOYOTA, LICENSE AGREEMENT TMS1002
Fig 12: Smart key system and wireless door lock control system wiring diagram (12 of 13)
G08866093Courtesy of © TOYOTA, LICENSE AGREEMENT TMS1002
Fig 13: Smart key system and wireless door lock control system wiring diagram (13 of 13)
G08866094Courtesy of © TOYOTA, LICENSE AGREEMENT TMS1002