LEMON Manuals: Even more car manuals for everyone
Home >> Toyota >> 2007 >> Prius Base >> Repair and Diagnosis (Single Page) >> Electrical >> Body Electrical >> OEM System Circuits >> Multiplex Communication System - Can Bus >> Notes

Multiplex Communication System - Can Bus: Notes

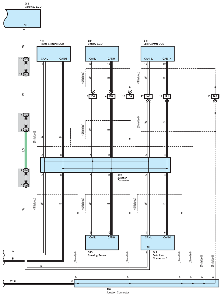
Fig 1: Multiplex communication system - can bus system wiring diagram (1 of 2)
G08865994Courtesy of © TOYOTA, LICENSE AGREEMENT TMS1002
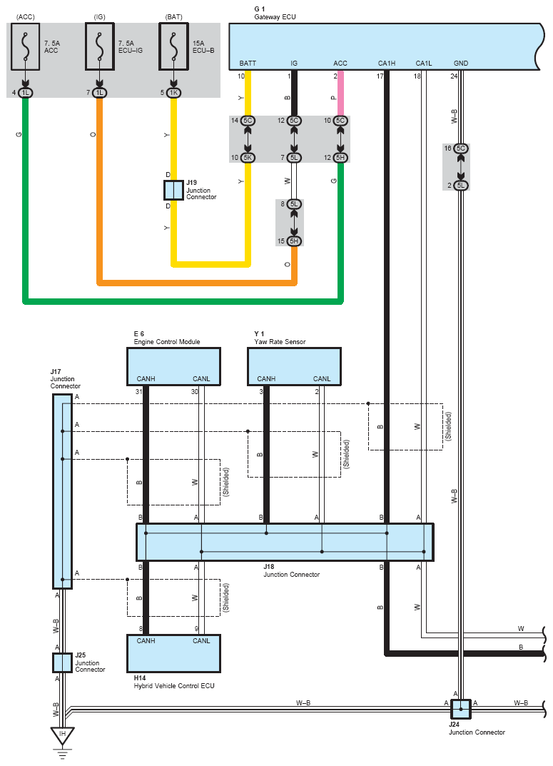
Fig 2: Multiplex communication system - can bus system wiring diagram (2 of 2)
G08865995Courtesy of © TOYOTA, LICENSE AGREEMENT TMS1002