LEMON Manuals: Even more car manuals for everyone
Home >> Toyota >> 2007 >> Prius Base >> Repair and Diagnosis (Single Page) >> Electrical >> Body Electrical >> OEM System Circuits >> Engine Control >> Notes

Engine Control: Notes

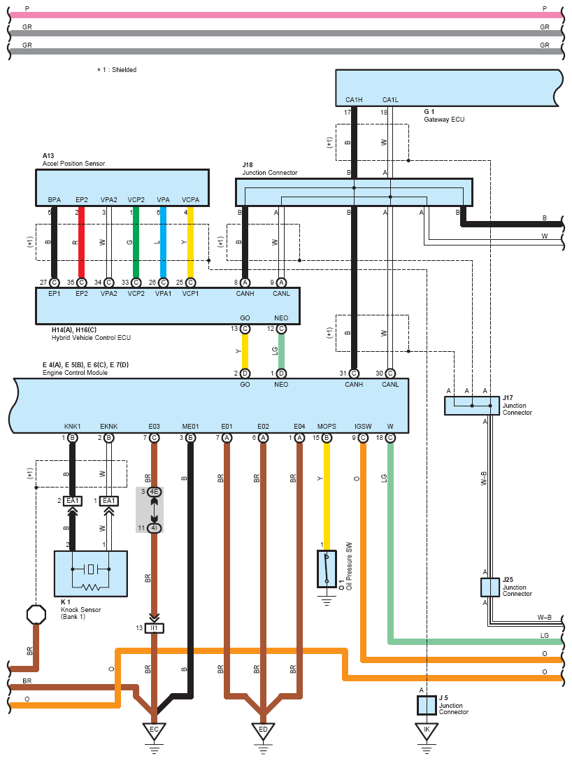
Fig 1: Engine control system wiring diagram (1 of 10)
G08866036Courtesy of © TOYOTA, LICENSE AGREEMENT TMS1002
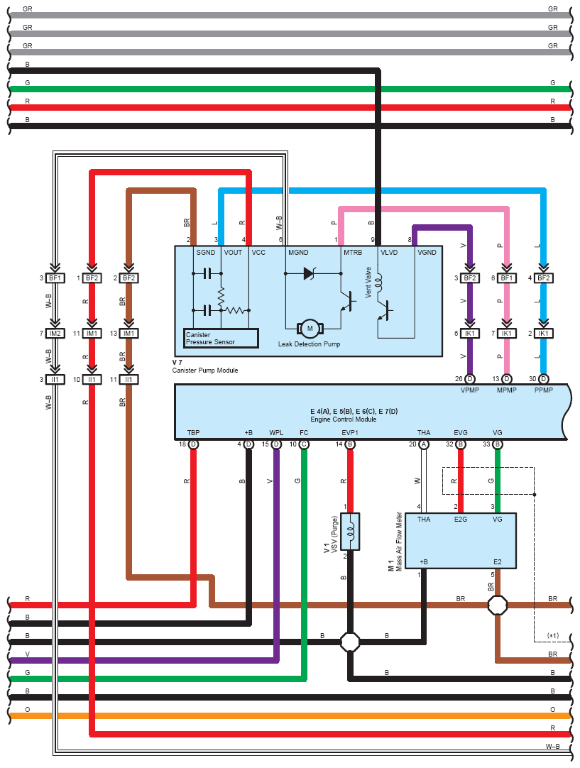
Fig 2: Engine control system wiring diagram (2 of 10)
G08866037Courtesy of © TOYOTA, LICENSE AGREEMENT TMS1002
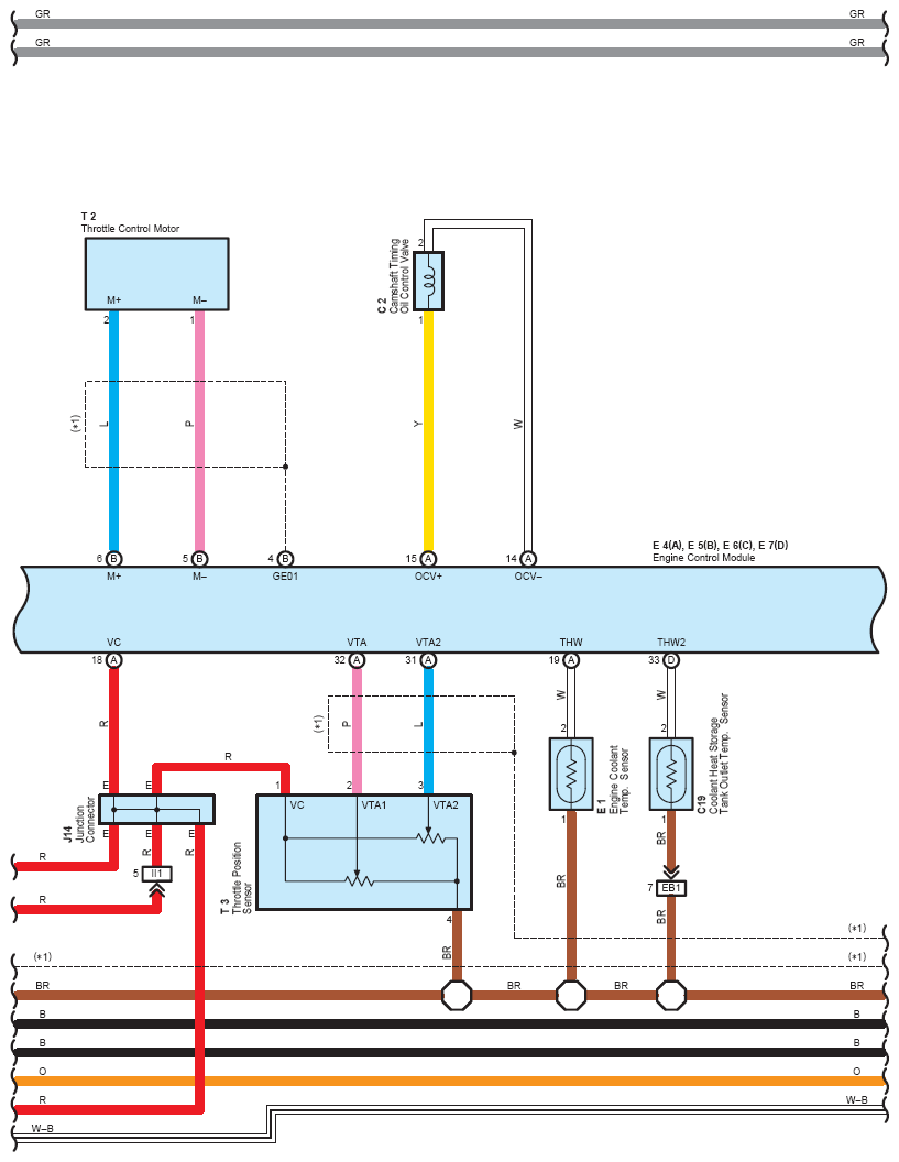
Fig 3: Engine control system wiring diagram (3 of 10)
G08866038Courtesy of © TOYOTA, LICENSE AGREEMENT TMS1002
Fig 4: Engine control system wiring diagram (4 of 10)
G08866039Courtesy of © TOYOTA, LICENSE AGREEMENT TMS1002
Fig 5: Engine control system wiring diagram (5 of 10)
G08866040Courtesy of © TOYOTA, LICENSE AGREEMENT TMS1002
Fig 6: Engine control system wiring diagram (6 of 10)
G08866041Courtesy of © TOYOTA, LICENSE AGREEMENT TMS1002
Fig 7: Engine control system wiring diagram (7 of 10)
G08866042Courtesy of © TOYOTA, LICENSE AGREEMENT TMS1002
Fig 8: Engine control system wiring diagram (8 of 10)
G08866043Courtesy of © TOYOTA, LICENSE AGREEMENT TMS1002
Fig 9: Engine control system wiring diagram (9 of 10)
G08866044Courtesy of © TOYOTA, LICENSE AGREEMENT TMS1002
Fig 10: Engine control system wiring diagram (10 of 10)
G08866045Courtesy of © TOYOTA, LICENSE AGREEMENT TMS1002