LEMON Manuals: Even more car manuals for everyone
Home >> Toyota >> 2007 >> Matrix Base, Standard >> Repair and Diagnosis >> Electrical >> Body Electrical >> OEM System Circuits >> Rear Window Defogger >> Notes

Rear Window Defogger: Notes

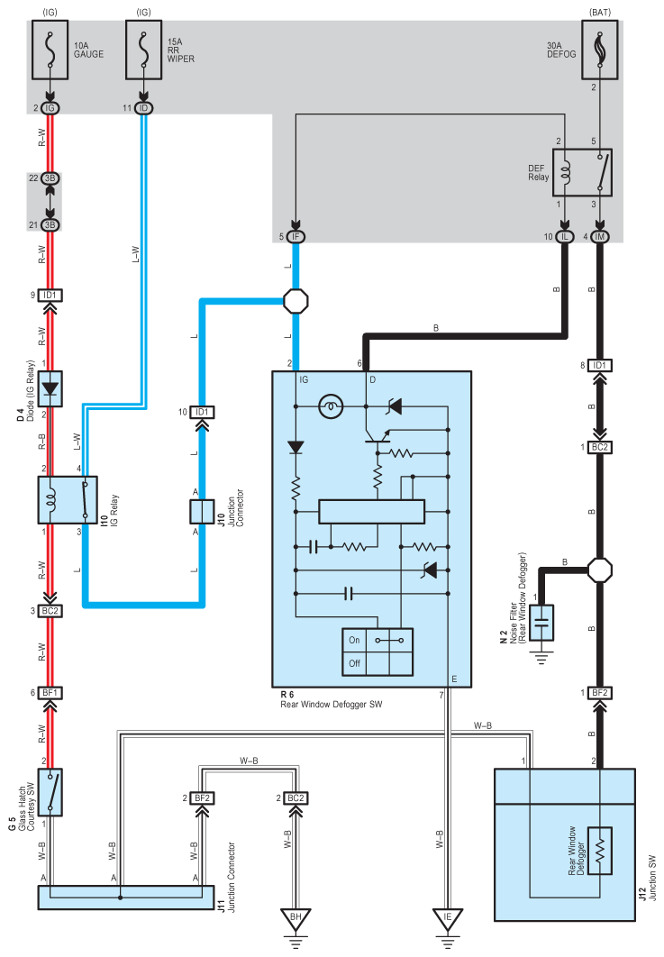
Fig 1: Rear Window Defogger System Wiring Diagram
G08790440Courtesy of © TOYOTA, LICENSE AGREEMENT TMS1002