LEMON Manuals: Even more car manuals for everyone
Home >> Toyota >> 2007 >> Matrix Base, Standard >> Repair and Diagnosis (Single Page) >> Electrical >> Body Electrical >> OEM System Circuits >> Power Source >> Notes

Power Source: Notes

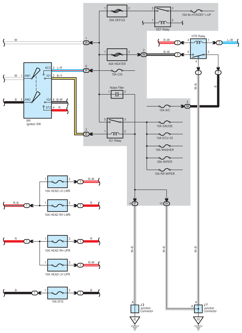
Fig 1: Power Source System Wiring Diagram (1 Of 2)
G08790362Courtesy of © TOYOTA, LICENSE AGREEMENT TMS1002
Fig 2: Power Source System Wiring Diagram (2 Of 2)
G08790363Courtesy of © TOYOTA, LICENSE AGREEMENT TMS1002