LEMON Manuals: Even more car manuals for everyone
Home >> Toyota >> 2007 >> Matrix Base, Standard >> Repair and Diagnosis (Single Page) >> Electrical >> Body Electrical >> OEM System Circuits >> Engine Immobiliser System >> Notes

Engine Immobiliser System: Notes

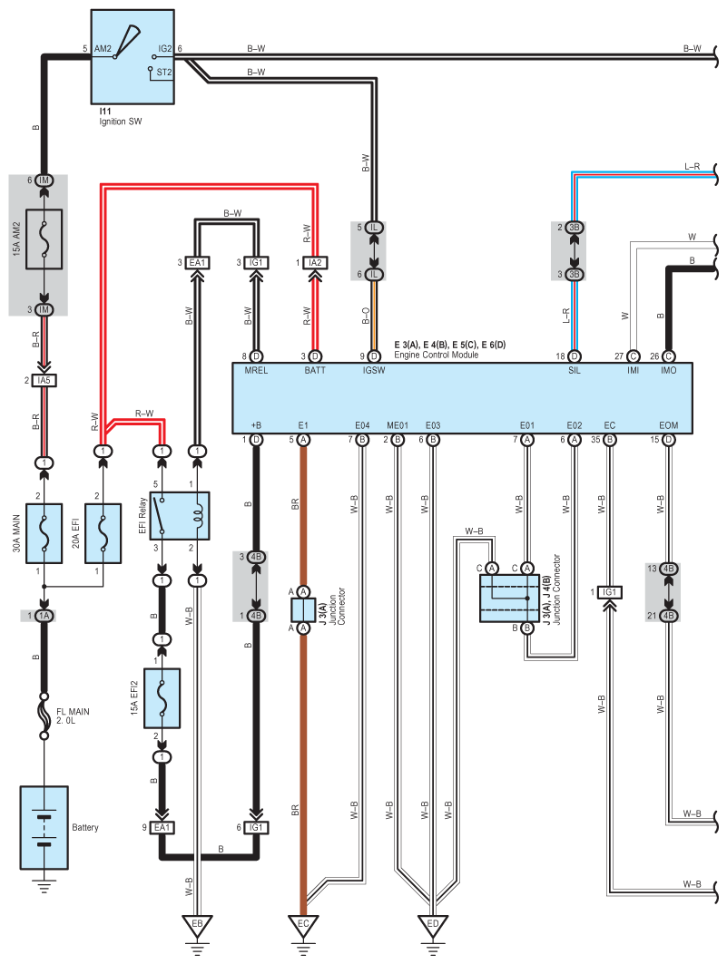
Fig 1: Engine Immobiliser System Wiring Diagram (1 Of 2)
G08790375Courtesy of © TOYOTA, LICENSE AGREEMENT TMS1002
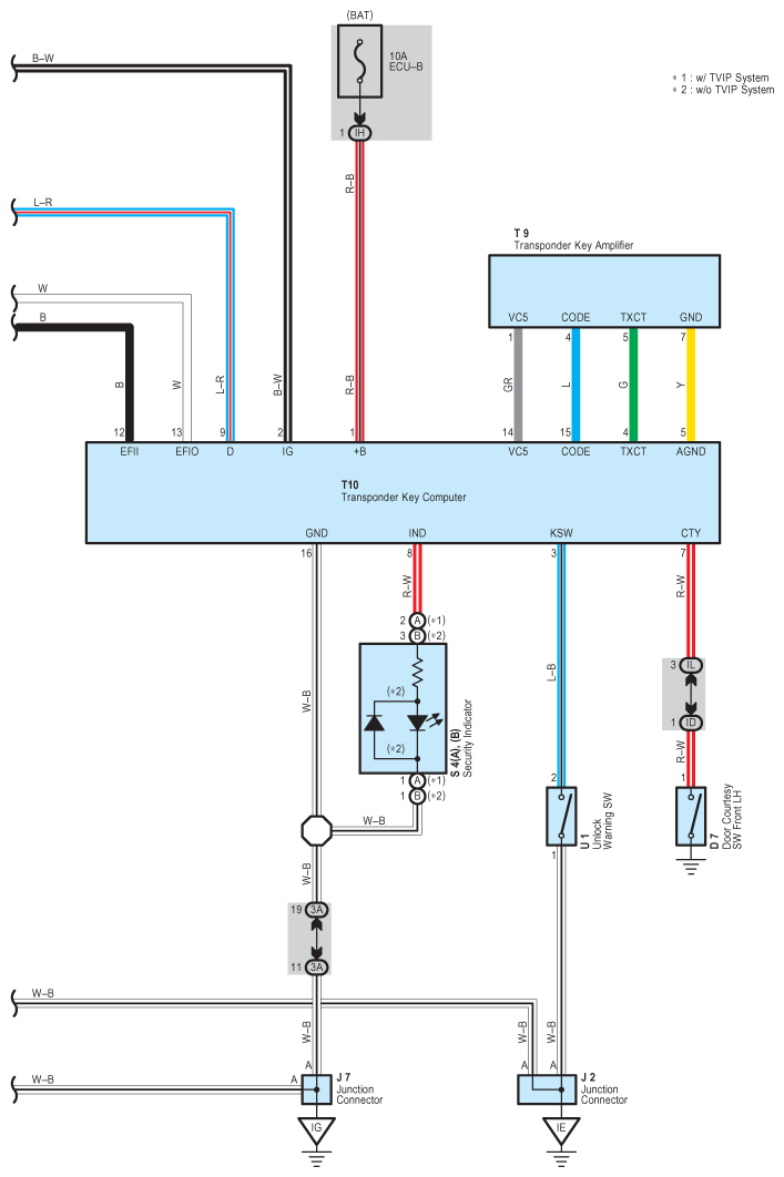
Fig 2: Engine Immobiliser System Wiring Diagram (2 Of 2)
G08790376Courtesy of © TOYOTA, LICENSE AGREEMENT TMS1002