LEMON Manuals: Even more car manuals for everyone
Home >> Toyota >> 2007 >> Matrix Base, Standard >> Repair and Diagnosis (Single Page) >> Electrical >> Body Electrical >> OEM System Circuits >> Cruise Control >> Notes

Cruise Control: Notes

Fig 1: Cruise Control System Wiring Diagram (1 Of 4)
G08790420Courtesy of © TOYOTA, LICENSE AGREEMENT TMS1002
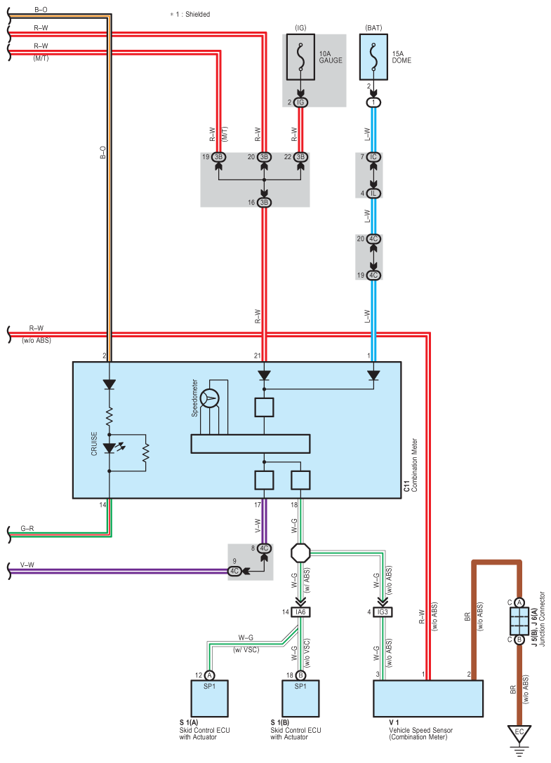
Fig 2: Cruise Control System Wiring Diagram (2 Of 4)
G08790421Courtesy of © TOYOTA, LICENSE AGREEMENT TMS1002
Fig 3: Cruise Control System Wiring Diagram (3 Of 4)
G08790422Courtesy of © TOYOTA, LICENSE AGREEMENT TMS1002
Fig 4: Cruise Control System Wiring Diagram (4 Of 4)
G08790423Courtesy of © TOYOTA, LICENSE AGREEMENT TMS1002