LEMON Manuals: Even more car manuals for everyone
Home >> Toyota >> 2007 >> Matrix Base, Standard >> Repair and Diagnosis (Single Page) >> Accessories & Equipment >> Entertainment Systems >> Audio System & Visual System >> Audio And Visual System >> Radio Receiver Power Source Circuit >> Wiring Diagram

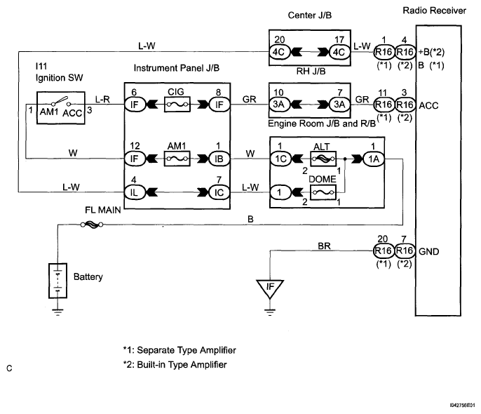
Radio Receiver Power Source Circuit: Wiring Diagram

Fig 1: Radio Receiver Power Source Circuit - Wiring Diagram
G05237130Courtesy of © TOYOTA, LICENSE AGREEMENT TMS1002