LEMON Manuals: Even more car manuals for everyone
Home >> Toyota >> 2007 >> Matrix Base, Standard >> Repair and Diagnosis (Single Page) >> Accessories & Equipment >> Communication Devices >> Can Communication System >> Can Communication System >> CAN Main Bus Line for Disconnection >> Wiring Diagram

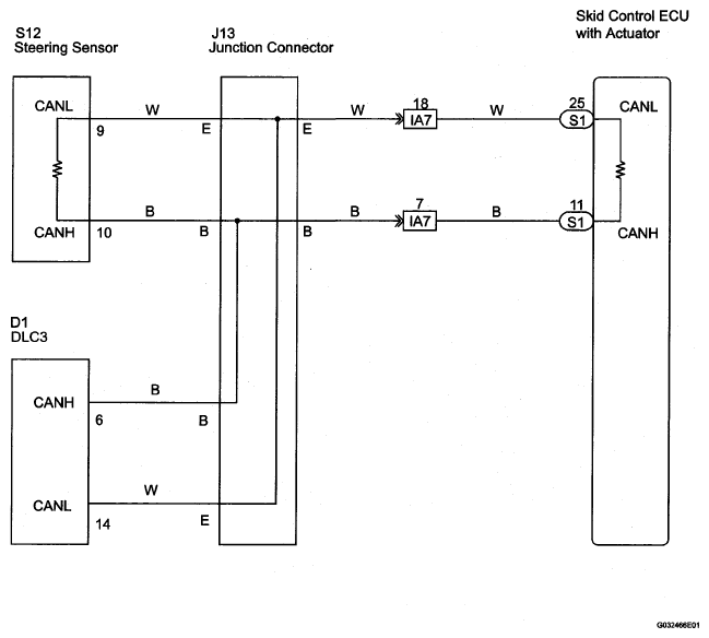
CAN Main Bus Line for Disconnection: Wiring Diagram

Fig 1: CAN Main Bus Line - Wiring Diagram
G05237534Courtesy of © TOYOTA, LICENSE AGREEMENT TMS1002