LEMON Manuals: Even more car manuals for everyone
Home >> Toyota >> 2007 >> Matrix Base, Automatic >> Repair and Diagnosis >> Electrical >> Body Electrical >> OEM System Circuits >> Power Outlet for 115V >> Notes

Power Outlet for 115V: Notes

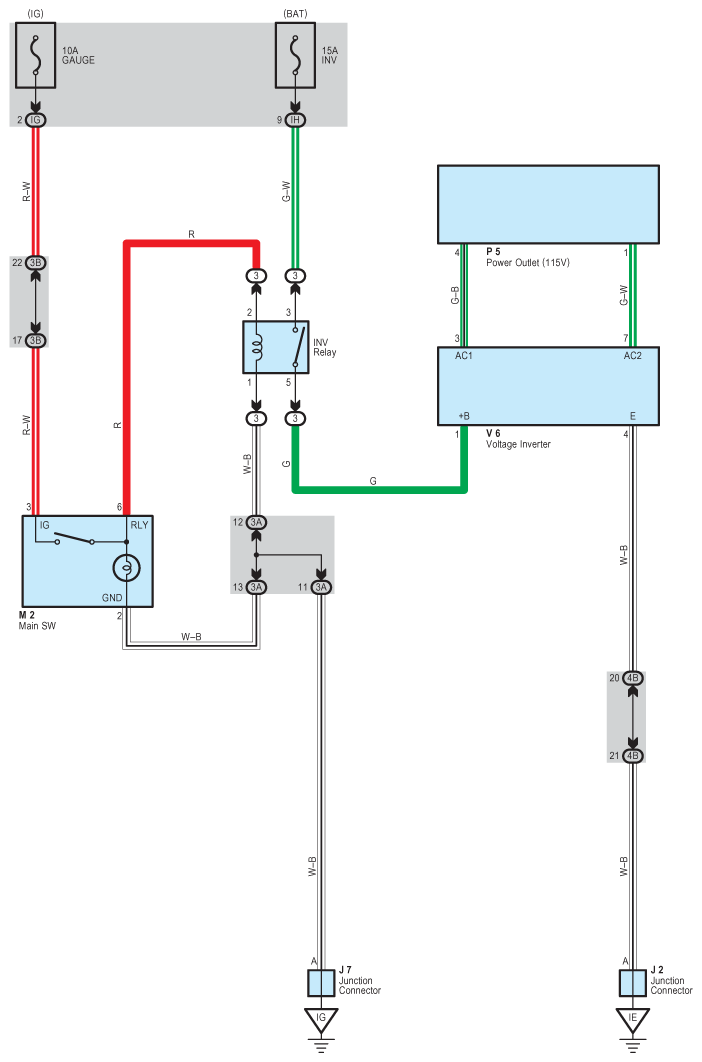
Fig 1: Power Outlet For 115V System Wiring Diagram
G08790397Courtesy of © TOYOTA, LICENSE AGREEMENT TMS1002