LEMON Manuals: Even more car manuals for everyone
Home >> Toyota >> 2007 >> Matrix Base, Automatic >> Repair and Diagnosis >> Electrical >> Body Electrical >> OEM System Circuits >> Front Wiper and Washer >> Notes

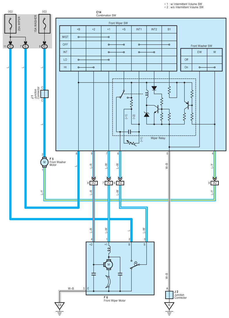
Front Wiper and Washer: Notes

Fig 1: Front Wiper And Washer System Wiring Diagram
G08790391Courtesy of © TOYOTA, LICENSE AGREEMENT TMS1002