LEMON Manuals: Even more car manuals for everyone
Home >> Toyota >> 2007 >> Matrix Base, Automatic >> Repair and Diagnosis >> Electrical >> Body Electrical >> OEM System Circuits >> ABS, TRAC, VSC and Tire Pressure Warning System >> Notes

ABS, TRAC, VSC and Tire Pressure Warning System: Notes

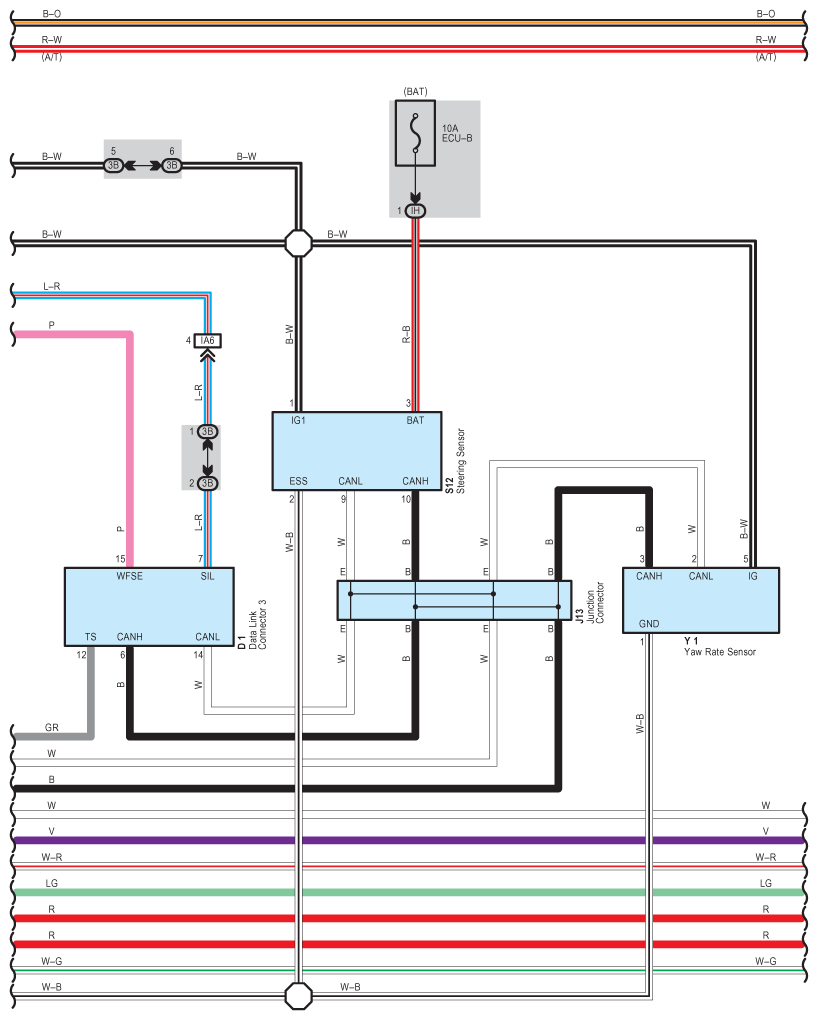
Fig 1: ABS, TRAC, VSC And Tire Pressure Warning System Wiring Diagram (1 Of 5)
G08790424Courtesy of © TOYOTA, LICENSE AGREEMENT TMS1002
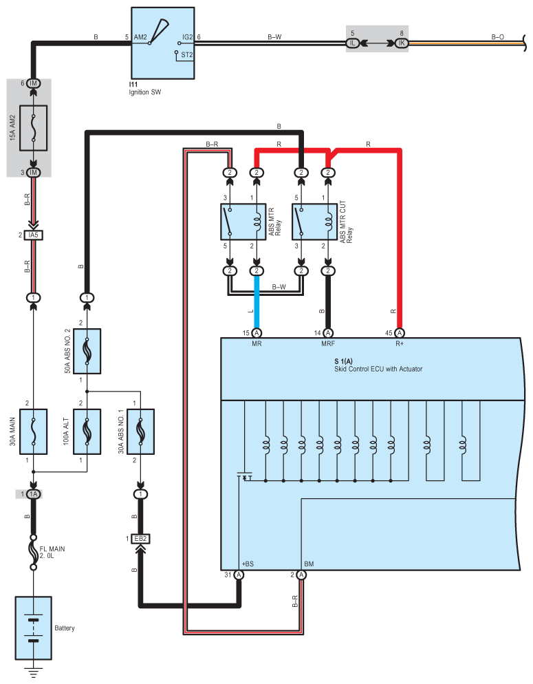
Fig 2: ABS, TRAC, VSC And Tire Pressure Warning System Wiring Diagram (2 Of 5)
G08790425Courtesy of © TOYOTA, LICENSE AGREEMENT TMS1002
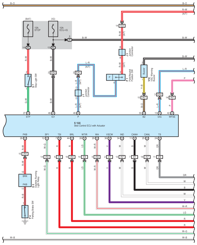
Fig 3: ABS, TRAC, VSC And Tire Pressure Warning System Wiring Diagram (3 Of 5)
G08790426Courtesy of © TOYOTA, LICENSE AGREEMENT TMS1002
Fig 4: ABS, TRAC, VSC And Tire Pressure Warning System Wiring Diagram (4 Of 5)
G08790427Courtesy of © TOYOTA, LICENSE AGREEMENT TMS1002
Fig 5: ABS, TRAC, VSC And Tire Pressure Warning System Wiring Diagram (5 Of 5)
G08790428Courtesy of © TOYOTA, LICENSE AGREEMENT TMS1002