LEMON Manuals: Even more car manuals for everyone
Home >> Toyota >> 2007 >> Matrix Base, Automatic >> Repair and Diagnosis (Single Page) >> Transmission >> Automatic Trans >> Automatic Transmission - A246E >> Automatic Transaxle System >> DTC P0705 Transmission Range Sensor Circuit Malfunction (PRNDL Input); DTC P0850 Park / Neutral Switch Input Circuit >> Wiring Diagram

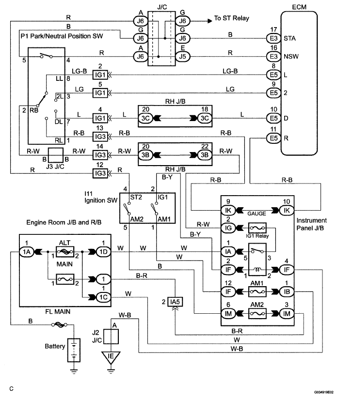
DTC P0705 Transmission Range Sensor Circuit Malfunction (PRNDL Input); DTC P0850 Park / Neutral Switch Input Circuit: Wiring Diagram

Fig 1: Park/Neutral Position Switch - Wiring Diagram
G05233880Courtesy of © TOYOTA, LICENSE AGREEMENT TMS1002