LEMON Manuals: Even more car manuals for everyone
Home >> Toyota >> 2007 >> Matrix Base, Automatic >> Repair and Diagnosis (Single Page) >> Accessories & Equipment >> Infotainment >> Audio System & Visual System >> Audio And Visual System >> Speaker Circuit >> Wiring Diagram

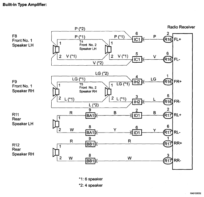
Speaker Circuit: Wiring Diagram

Fig 1: Speaker Circuit - Wiring Diagram (1 Of 2)
G05237106Courtesy of © TOYOTA, LICENSE AGREEMENT TMS1002
Fig 2: Speaker Circuit - Wiring Diagram (2 Of 2)
G05237107Courtesy of © TOYOTA, LICENSE AGREEMENT TMS1002