LEMON Manuals: Even more car manuals for everyone
Home >> Toyota >> 2006 >> Matrix XRS >> Repair and Diagnosis (Single Page) >> Electrical >> Body Electrical >> OEM System Circuits >> Power Source >> Notes

Power Source: Notes

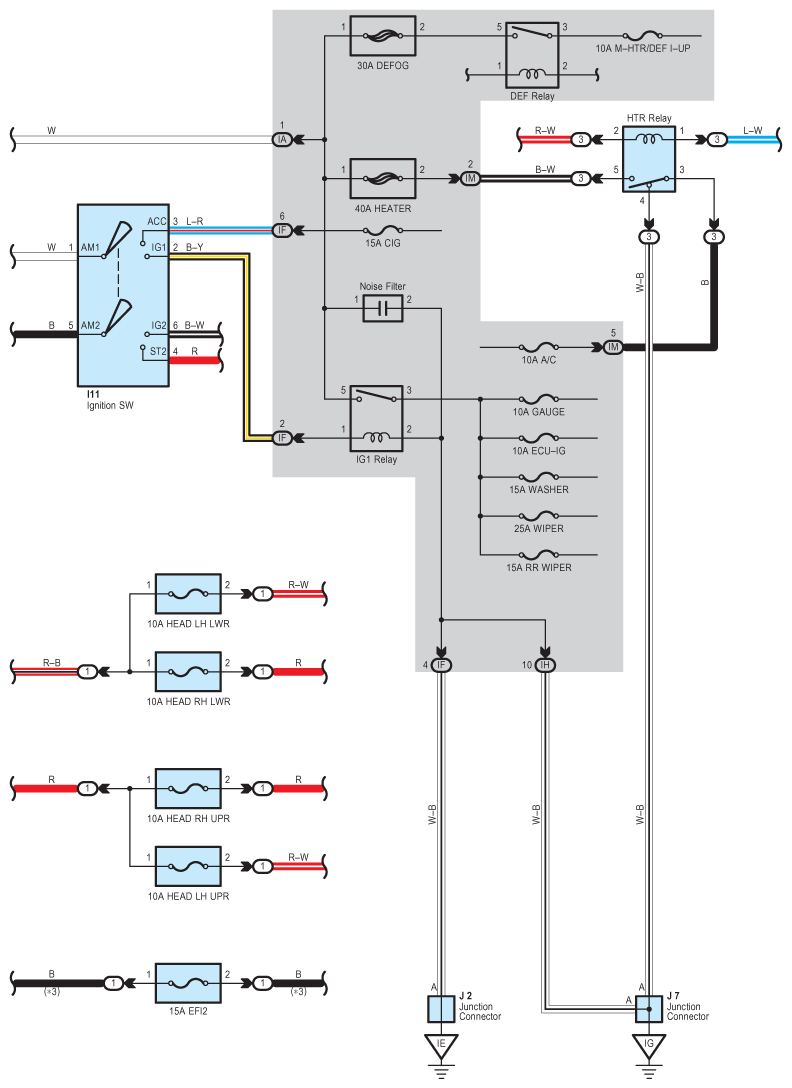
Fig 1: Power Source System Wiring Diagram (1 Of 2)
G08838118Courtesy of © TOYOTA, LICENSE AGREEMENT TMS1002
Fig 2: Power Source System Wiring Diagram (2 Of 2)
G08838119Courtesy of © TOYOTA, LICENSE AGREEMENT TMS1002