LEMON Manuals: Even more car manuals for everyone
Home >> Toyota >> 2006 >> Matrix Base, 4WD >> Repair and Diagnosis >> Engine Performance >> System >> Engine Control System (1ZZ-FE) - SFI System (For 4WD) - Introduction, System & Circuit Checks >> Stop Light Switch Circuit >> Wiring Diagram

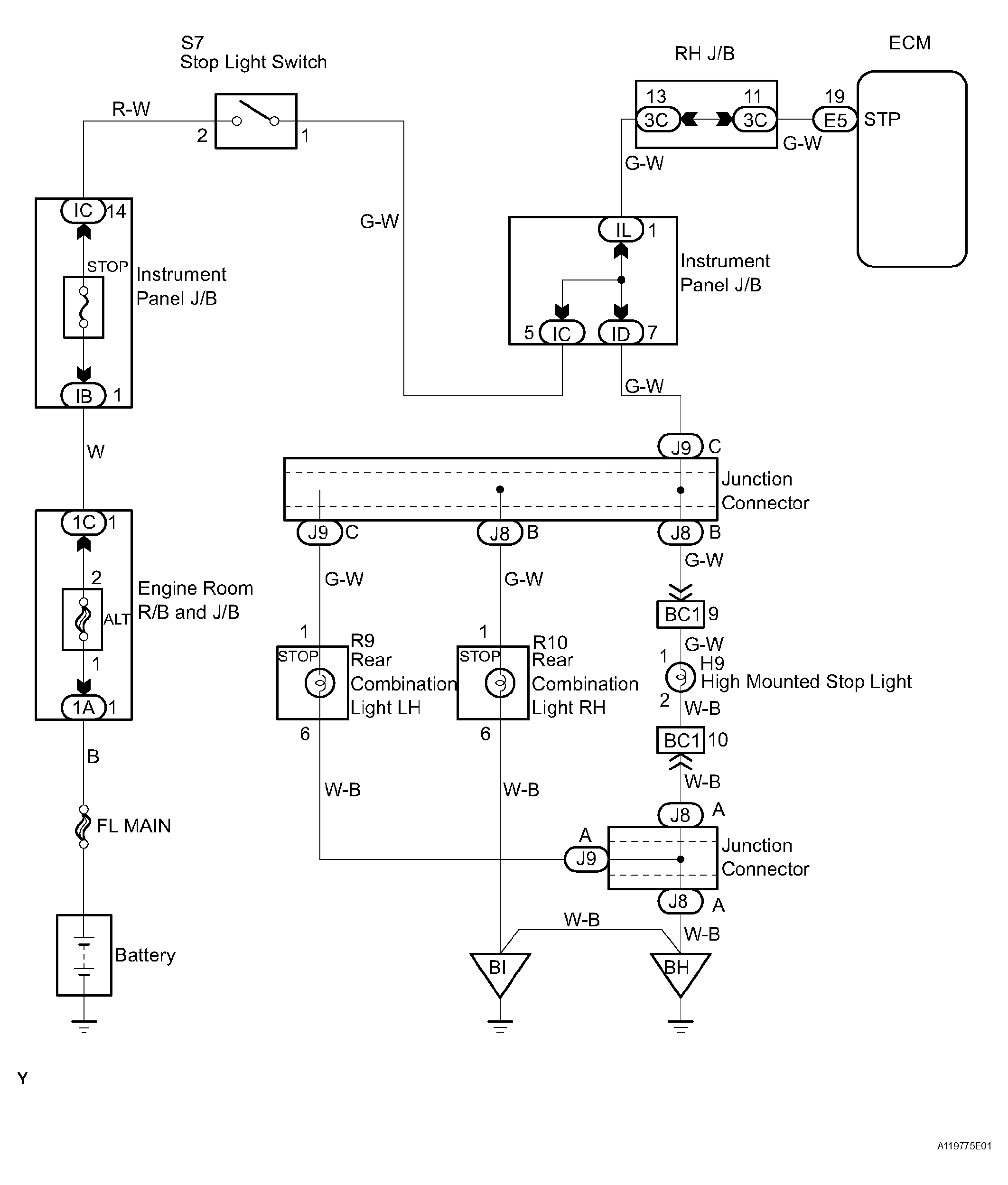
Stop Light Switch Circuit: Wiring Diagram

Fig 1: Stop Light Switch Circuit - Wiring Diagram
G04460430Courtesy of © TOYOTA, LICENSE AGREEMENT TMS1002