LEMON Manuals: Even more car manuals for everyone
Home >> Toyota >> 2006 >> Matrix Base, 4WD >> Repair and Diagnosis >> Electrical >> Body Electrical >> OEM System Circuits >> Heater >> Notes

OEM System Circuits: Heater: Notes

Fig 1: Heater System Wiring Diagram (1 Of 2)
G08838227Courtesy of © TOYOTA, LICENSE AGREEMENT TMS1002
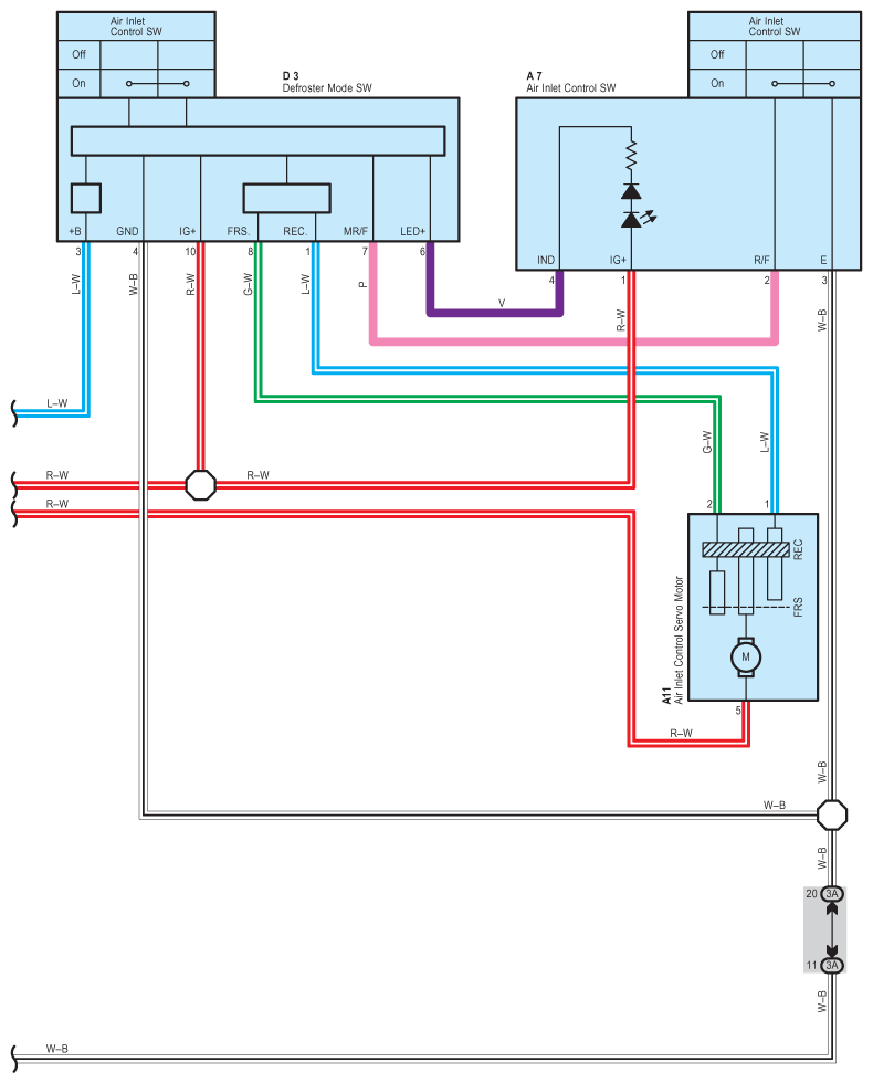
Fig 2: Heater System Wiring Diagram (2 Of 2)
G08838228Courtesy of © TOYOTA, LICENSE AGREEMENT TMS1002