LEMON Manuals: Even more car manuals for everyone
Home >> Toyota >> 2006 >> Matrix Base, 4WD >> Repair and Diagnosis >> Electrical >> Body Electrical >> OEM System Circuits >> Engine Control for 1ZZ-FE (4WD) >> Notes

Engine Control for 1ZZ-FE (4WD): Notes

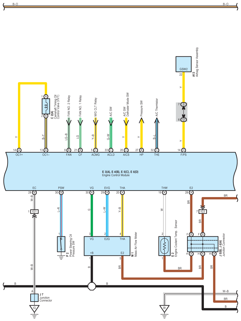
Fig 1: Engine Control System (For 1ZZ-FE, 4WD) Wiring Diagram (1 Of 8)
G08838131Courtesy of © TOYOTA, LICENSE AGREEMENT TMS1002
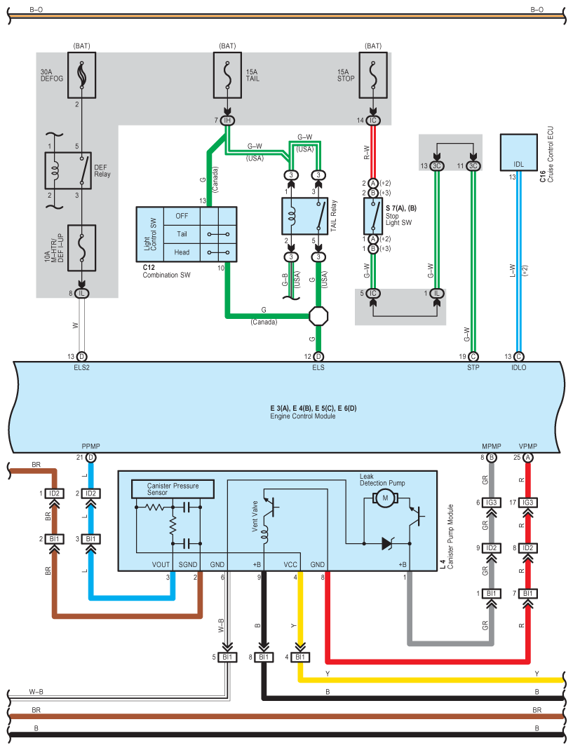
Fig 2: Engine Control System (For 1ZZ-FE, 4WD) Wiring Diagram (2 Of 8)
G08838132Courtesy of © TOYOTA, LICENSE AGREEMENT TMS1002
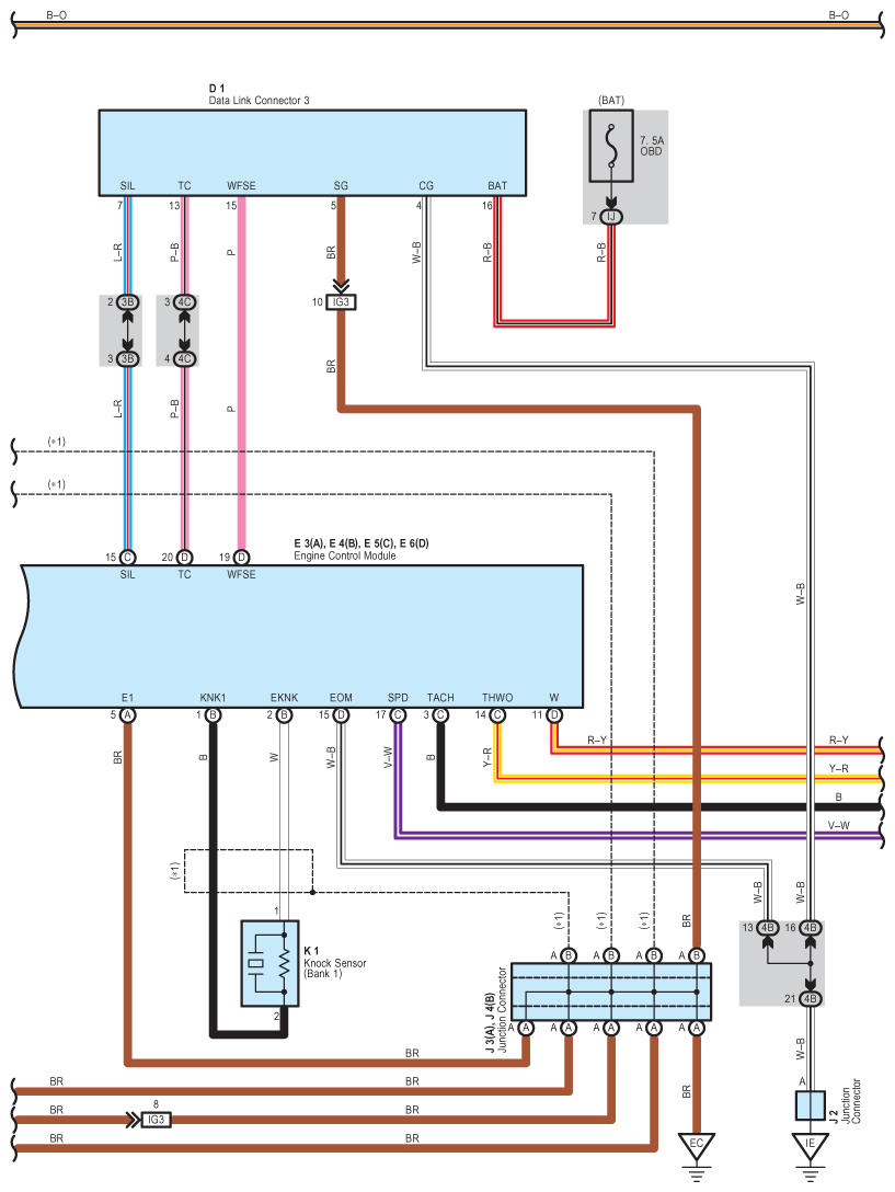
Fig 3: Engine Control System (For 1ZZ-FE, 4WD) Wiring Diagram (3 Of 8)
G08838133Courtesy of © TOYOTA, LICENSE AGREEMENT TMS1002
Fig 4: Engine Control System (For 1ZZ-FE, 4WD) Wiring Diagram (4 Of 8)
G08838134Courtesy of © TOYOTA, LICENSE AGREEMENT TMS1002
Fig 5: Engine Control System (For 1ZZ-FE, 4WD) Wiring Diagram (5 Of 8)
G08838135Courtesy of © TOYOTA, LICENSE AGREEMENT TMS1002
Fig 6: Engine Control System (For 1ZZ-FE, 4WD) Wiring Diagram (6 Of 8)
G08838136Courtesy of © TOYOTA, LICENSE AGREEMENT TMS1002
Fig 7: Engine Control System (For 1ZZ-FE, 4WD) Wiring Diagram (7 Of 8)
G08838137Courtesy of © TOYOTA, LICENSE AGREEMENT TMS1002
Fig 8: Engine Control System (For 1ZZ-FE, 4WD) Wiring Diagram (8 Of 8)
G08838138Courtesy of © TOYOTA, LICENSE AGREEMENT TMS1002