LEMON Manuals: Even more car manuals for everyone
Home >> Toyota >> 2006 >> Matrix Base, 4WD >> Repair and Diagnosis (Single Page) >> Electrical >> Body Electrical >> OEM System Circuits >> Rear Window Defogger >> Notes

Rear Window Defogger: Notes

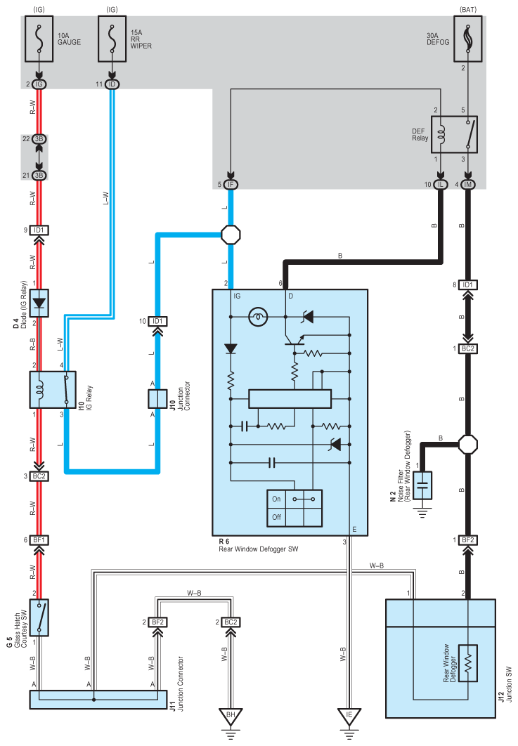
Fig 1: Rear Window Defogger System Wiring Diagram
G08838216Courtesy of © TOYOTA, LICENSE AGREEMENT TMS1002