LEMON Manuals: Even more car manuals for everyone
Home >> Toyota >> 2006 >> Matrix Base, 4WD >> Repair and Diagnosis (Single Page) >> Electrical >> Body Electrical >> OEM System Circuits >> Headlight >> Notes

OEM System Circuits: Headlight: Notes

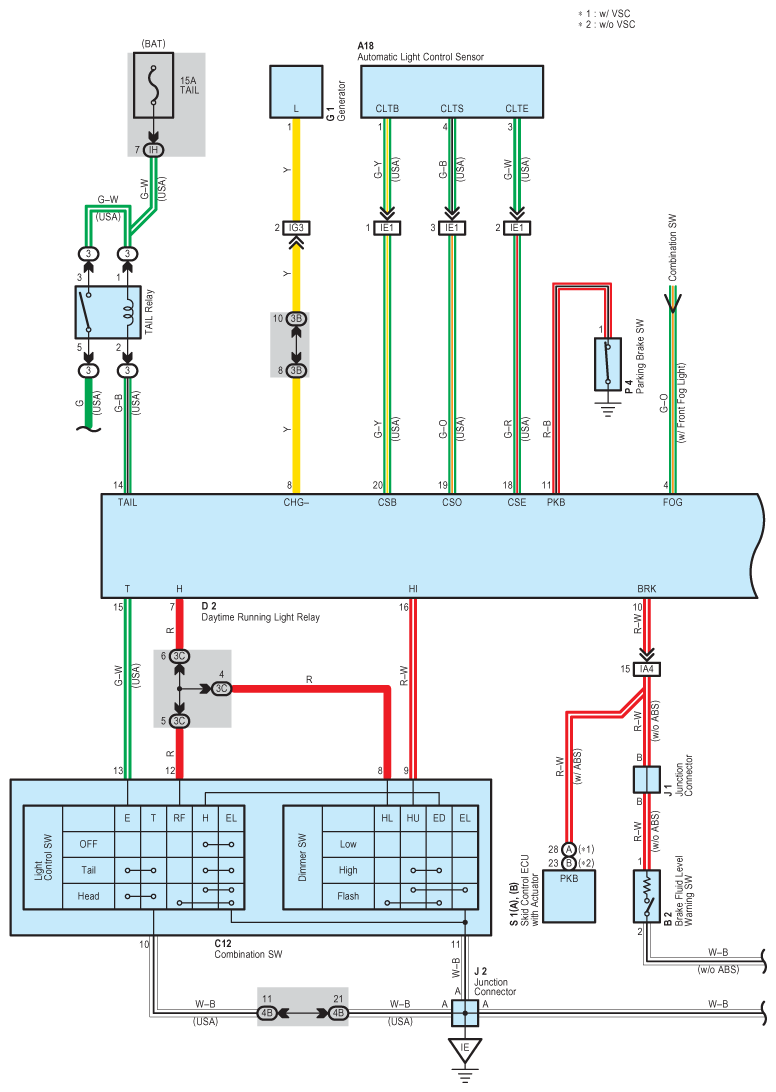
Fig 1: Headlight System Wiring Diagram (1 Of 2)
G08838150Courtesy of © TOYOTA, LICENSE AGREEMENT TMS1002
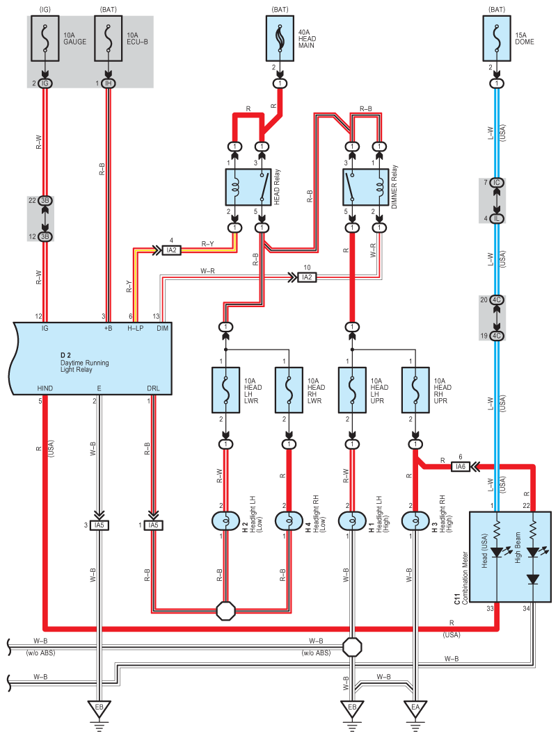
Fig 2: Headlight System Wiring Diagram (2 Of 2)
G08838151Courtesy of © TOYOTA, LICENSE AGREEMENT TMS1002