LEMON Manuals: Even more car manuals for everyone
Home >> Toyota >> 2006 >> Matrix Base, 4WD >> Repair and Diagnosis (Single Page) >> Electrical >> Body Electrical >> OEM System Circuits >> Air Conditioning >> Notes

Air Conditioning: Notes

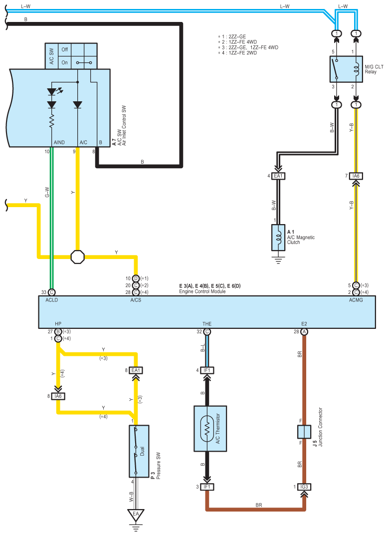
Fig 1: Air Conditioning System Wiring Diagram (1 Of 3)
G08838229Courtesy of © TOYOTA, LICENSE AGREEMENT TMS1002
Fig 2: Air Conditioning System Wiring Diagram (2 Of 3)
G08838230Courtesy of © TOYOTA, LICENSE AGREEMENT TMS1002
Fig 3: Air Conditioning System Wiring Diagram (3 Of 3)
G08838231Courtesy of © TOYOTA, LICENSE AGREEMENT TMS1002