LEMON Manuals: Even more car manuals for everyone
Home >> Toyota >> 2006 >> Matrix Base, 4WD >> Repair and Diagnosis (Single Page) >> Accessories & Equipment >> Infotainment >> Audio/Visual System >> Audio And Visual System >> System Diagram

System Diagram

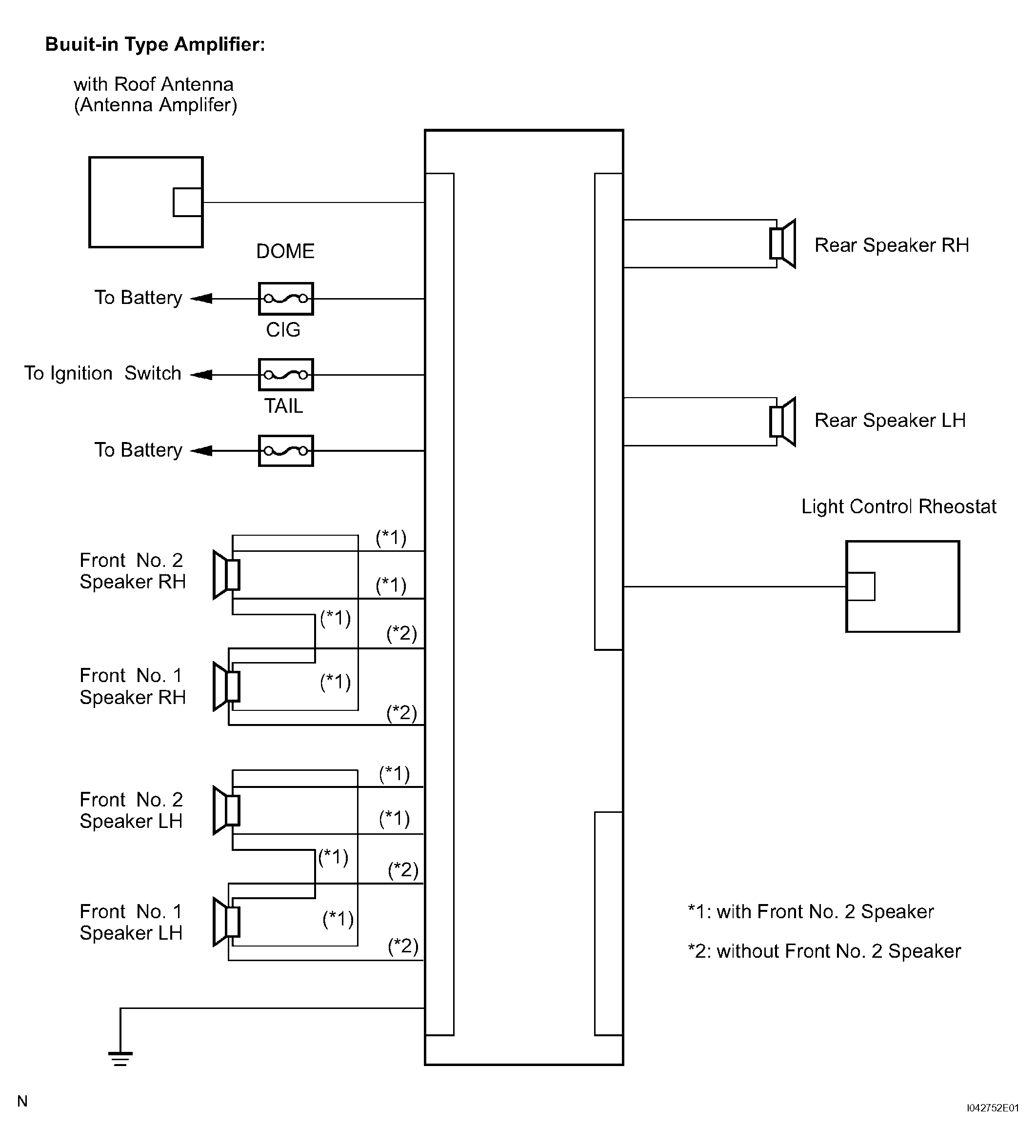
Fig 1: Audio And Visual System Diagram (Built In Type Amplifier)
G04466659Courtesy of © TOYOTA, LICENSE AGREEMENT TMS1002
Fig 2: Audio And Visual System Diagram (Separate Type Amplifier)
G04466660Courtesy of © TOYOTA, LICENSE AGREEMENT TMS1002