LEMON Manuals: Even more car manuals for everyone
Home >> Toyota >> 2006 >> Land Cruiser >> Repair and Diagnosis >> Engine Performance >> System >> Engine Control System - System And Component Testing >> EFI Relay >> On-Vehicle Inspection

On-Vehicle Inspection

  1. REMOVE EFI RELAY (Marking: EFI) 
    1. Remove the engine room relay block cover.
    2. Remove the relay from the engine room relay block.
  2. CHECK EFI RELAY 
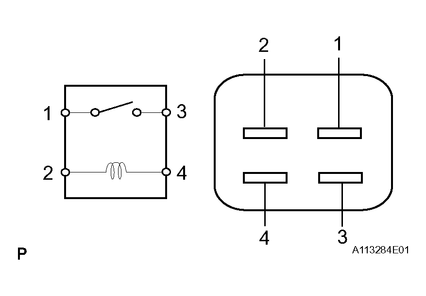
    1. Measure the resistance of the relay.

      Standard resistance 

      EFI RELAY

      Tester Connection Specified Condition
      1 - 3 10 kΩ or higher
      1 - 3 Below 1 Ω
      (when battery voltage is applied to terminals 2 and 4)
      Fig 1: Checking EFI Relay
      G04435554Courtesy of © TOYOTA, LICENSE AGREEMENT TMS1002

      If the result is not as specified, replace the relay.

  3. INSTALL EFI RELAY