LEMON Manuals: Even more car manuals for everyone
Home >> Toyota >> 2005 >> Avalon XLS >> Repair and Diagnosis >> Body & Frame >> Windows >> Power Window Control System >> Power Source Circuit (Multiplex Network Master Switch ASSY) >> Wiring Diagram

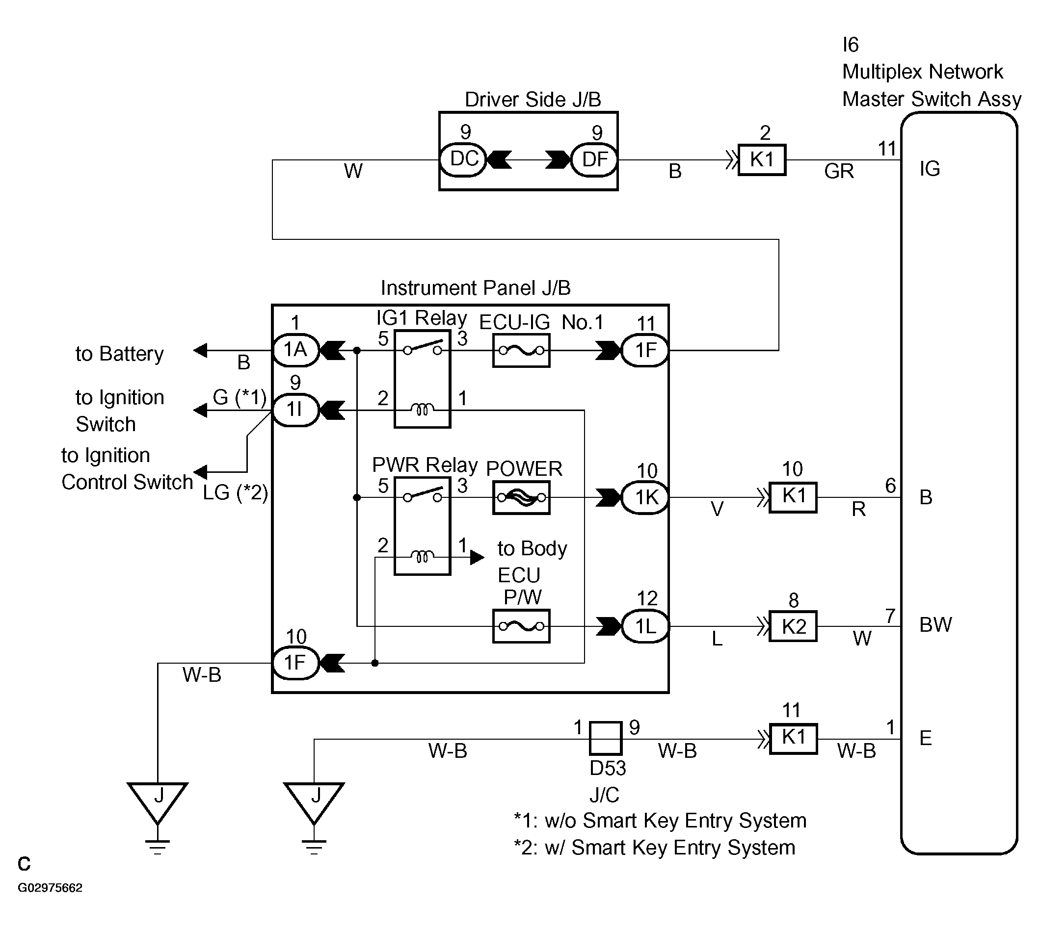
Power Source Circuit (Multiplex Network Master Switch ASSY): Wiring Diagram

Fig 1: Power Source Wiring Diagram - Multiplex Network Master Switch Assy
G02975662Courtesy of © TOYOTA, LICENSE AGREEMENT TMS1002